Operation CHARM: Car repair manuals for everyone.
Manuals through 2025 now available!

Our trusted friends have launched a new website named LEMON, which has newer manuals. It also contains all the CHARM manuals.

LEMON is the spiritual successor to CHARM, I recommend you try it!

Link: lemon-manuals.la or lemon-manuals.org.ua

(Some people have issue connecting. LEMON is investigating. For now, use Firefox or change your DNS server)

Or, hide this message: temporarily or permanently

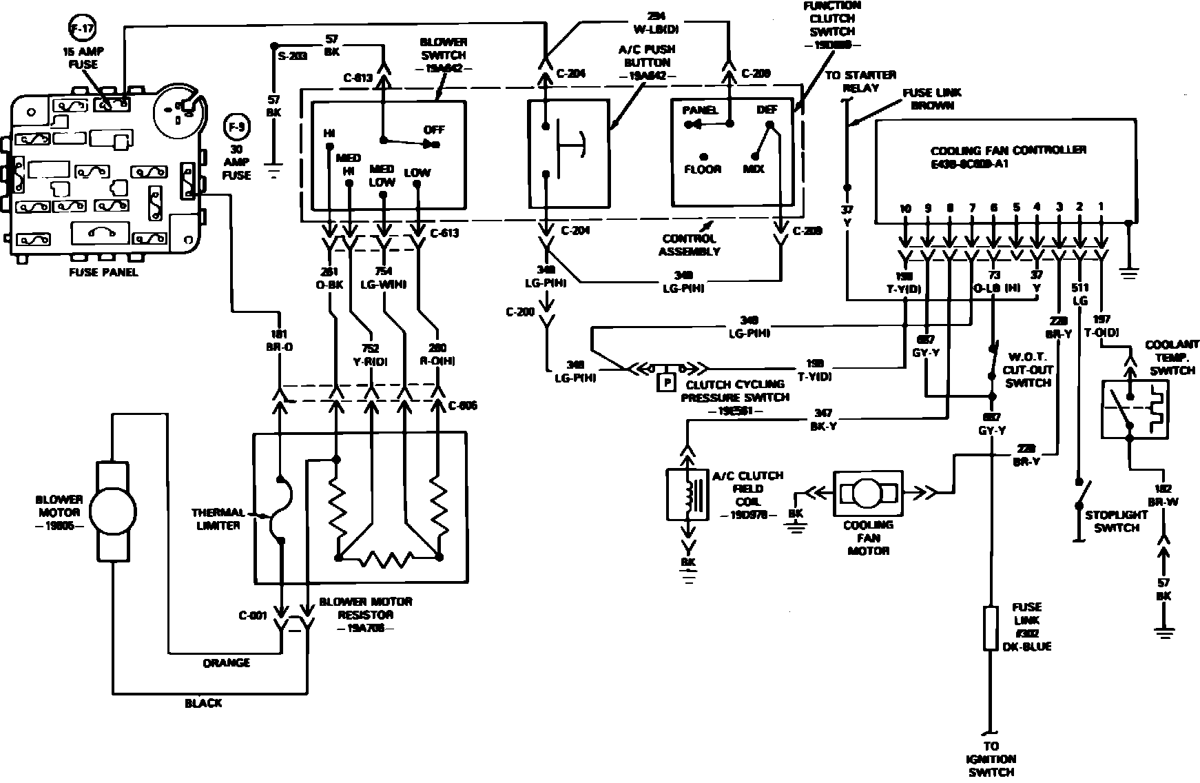
EVTM - Cooling Fan Schematic Addition

Manual A/C - Heater System Electrical Schematic - With ATX Without EFI:




Article No. 85-8-3


EVTM (ELECTRICAL VACUUM TROUBLE SHOOTING MANUAL) - ADDITION OF COOLING FAN SCHEMATIC FOR VEHICLES WITH ATX WITH A/C WITHOUT EFI


FORD 1985 ESCORT, EXP

LINCOLN-MERCURY 1985 LYNX

The electrical schematic for the fan controller circuits on the subject vehicles with ATX and A/C without EFI was omitted from the 1985 Escort/Lynx/EXP EVTM.

The attached electrical schematic, should be inserted in the 1985 Escort/Lynx/EXP Electrical & Vacuum Trouble Shooting Manual.

OTHER APPLICABLE ARTICLES: NONE
WARRANTY STATUS: "INFORMATION ONLY"