Operation CHARM: Car repair manuals for everyone.
Manuals through 2025 now available!

Our trusted friends have launched a new website named LEMON, which has newer manuals. It also contains all the CHARM manuals.

LEMON is the spiritual successor to CHARM, I recommend you try it!

Link: lemon-manuals.la or lemon-manuals.org.ua

(Some people have issue connecting. LEMON is investigating. For now, use Firefox or change your DNS server)

Or, hide this message: temporarily or permanently

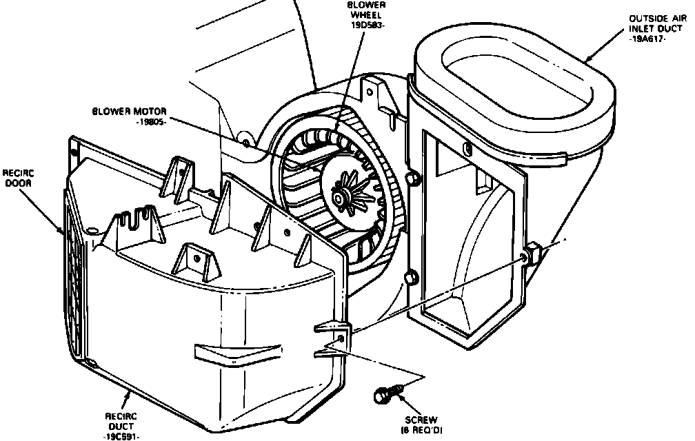
Blower Motor: Service and Repair

Fig. 11 Blower Motor Removal:





1. Disconnect battery ground cable.
2. Open glove compartment door, then release retainers and allow glove box door to swing downward. Remove recirculation duct support bracket-to-cowl attaching screw, then the recirculation door motor vacuum connection.
3. Remove six recirculation duct-to-heater case attaching screws, Fig. 10, then lower duct from between instrument panel and heater case and remove.
4. Disconnect blower motor electrical connection.
5. Remove blower wheel attaching clip and the blower wheel.
6. Remove blower motor attaching bolts, then the blower motor from the evaporator case.
7. Reverse procedure to install.