Operation CHARM: Car repair manuals for everyone.
Manuals through 2025 now available!

Our trusted friends have launched a new website named LEMON, which has newer manuals. It also contains all the CHARM manuals.

LEMON is the spiritual successor to CHARM, I recommend you try it!

Link: lemon-manuals.la or lemon-manuals.org.ua

(Some people have issue connecting. LEMON is investigating. For now, use Firefox or change your DNS server)

Or, hide this message: temporarily or permanently

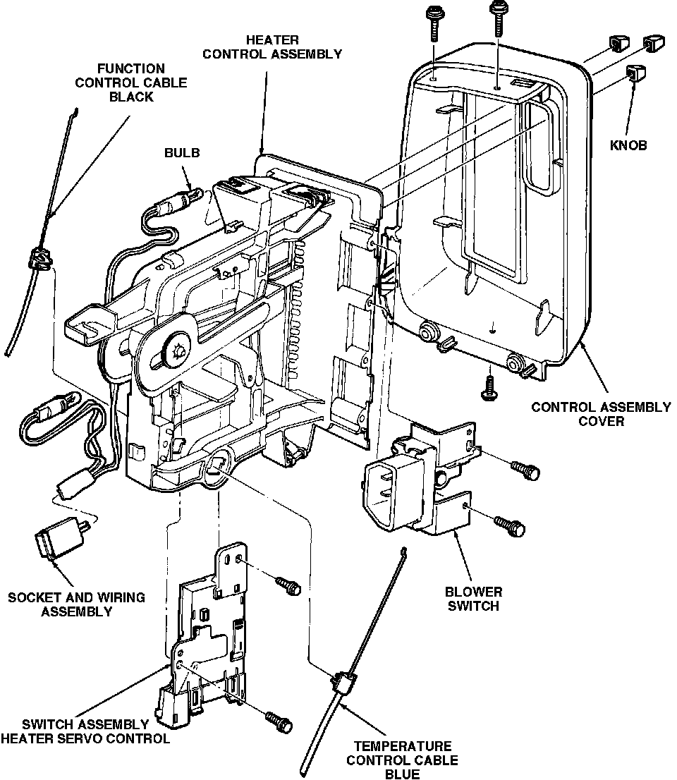
Control Panel Assembly Replace

Fig. 11 Control assembly & electrical connectors:






1. Disconnect battery ground cable.
2. Remove instrument cluster housing cover.
3. Remove control assembly attaching screws, Fig. 11.
4. Pull control assembly away from instrument panel and disconnect all electrical connectors.
5. Using suitable pliers, carefully release function control cable from control bracket, then remove control assembly from vehicle.
6. Reverse procedure to install.