Operation CHARM: Car repair manuals for everyone.
Manuals through 2025 now available!

Our trusted friends have launched a new website named LEMON, which has newer manuals. It also contains all the CHARM manuals.

LEMON is the spiritual successor to CHARM, I recommend you try it!

Link: lemon-manuals.la or lemon-manuals.org.ua

(Some people have issue connecting. LEMON is investigating. For now, use Firefox or change your DNS server)

Or, hide this message: temporarily or permanently

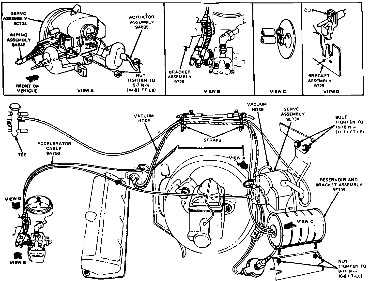
Cruise Control: Adjustments


BEAD CHAIN, ADJUST
1. Adjust bead chain to obtain 1/16 --- 1/4 inch (1980---81) or 1/16 --- 1/8 inch (1982---87) actuator arm free travel with engine at hot idle. Make this adjustment to remove as much slack as possible from the bead chain without preventing carburetor from returning to idle. On models equipped with a solenoid anti-diesel valve, this adjustment must be performed with ignition switch in the Off position.
2. Cut off chain in excess of 4 beads.




VACUUM DUMP VALVE, ADJUST
1981---87 All
1. Slide vacuum dump valve forward in retaining clip. With valve plunger contacting brake pedal adapter and pedal in released position until 1/8 inch or less of white plunger is exposed.
2. Ensure brake pedal contacts stop in released position after making adjustment.



Fig. 20 Actuator cable adjustment. 1984---87 E-250---350 w/diesel engine:




Fig. 21 Actuator cable adjustment. 1984---87 F-250---350 w/diesel engine:





ACTUATOR CABLE, ADJUST
1984---87 Models W/Diesel Engine
1. Snap speed control actuator cable retainer over accelerator cable end fitting attached to throttle ball stud, Figs. 20 and 21.
2. Remove adjuster retainer clip, if equipped, from adjuster mounting tab.
3. Insert actuator cable adjuster mounting tab in accelerator cable support bracket slot.
4. Pull cable through adjuster until a slight tension is felt without opening throttle plate or increasing idle RPM.
5. Install adjuster retainer clip slowly until it engages, then push downward until locked in position.