Operation CHARM: Car repair manuals for everyone.
Manuals through 2025 now available!

Our trusted friends have launched a new website named LEMON, which has newer manuals. It also contains all the CHARM manuals.

LEMON is the spiritual successor to CHARM, I recommend you try it!

Link: lemon-manuals.la or lemon-manuals.org.ua

(Some people have issue connecting. LEMON is investigating. For now, use Firefox or change your DNS server)

Or, hide this message: temporarily or permanently

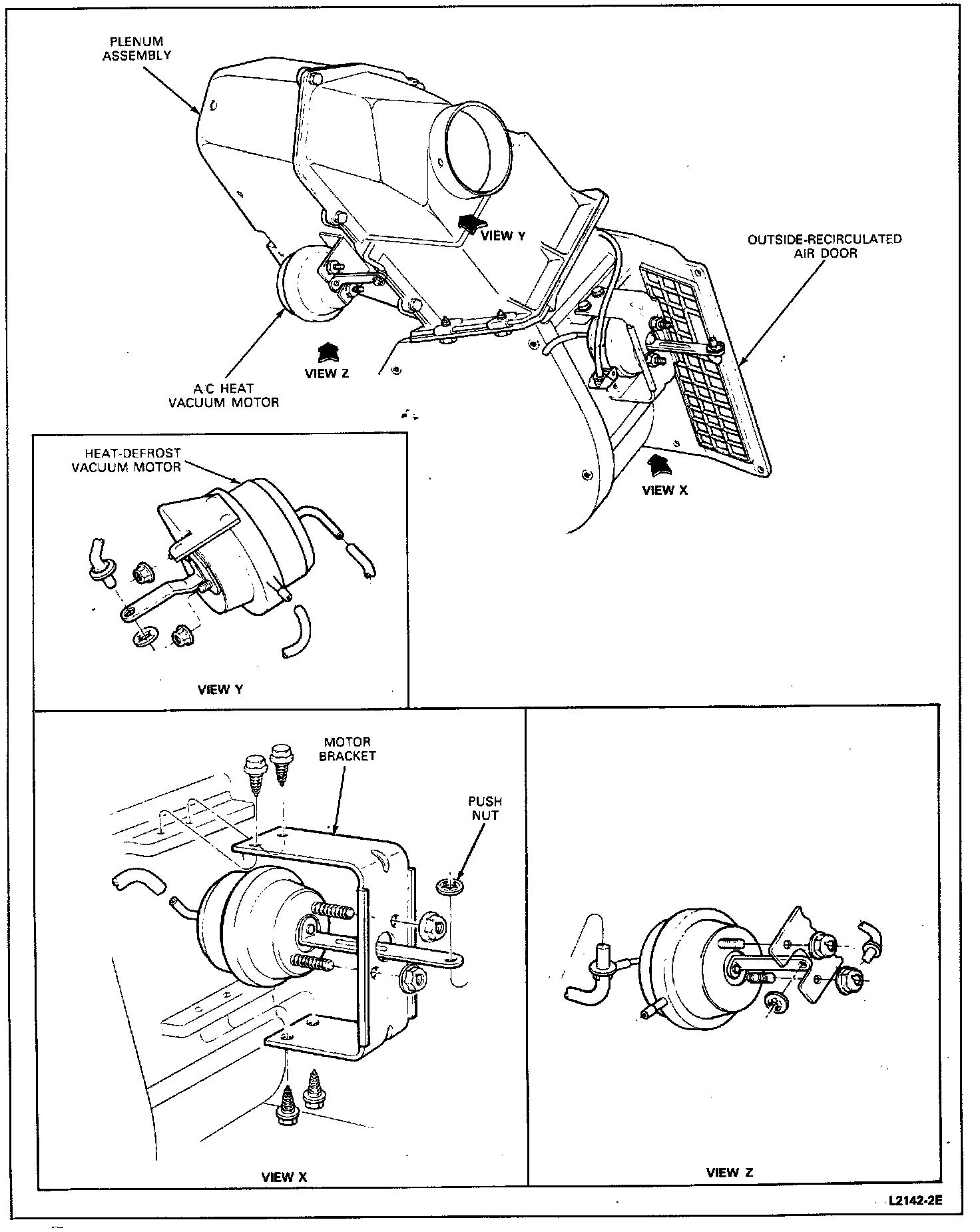
With A/C

REMOVAL

Fig. 19 - Manual A/C Heater System Heater Core Installation.:




1. Disconnect electrical leads from resistor on front face of A/C blower scroll cover (Fig. 19.)
2. Disconnect vacuum line from the outside-recirculated door vacuum motor.
3. Remove A/C blower cover (five screws plus two screws attaching the blower scroll cover to plenum assembly).

Fig. 15 - A/C Vacuum Motor Installation.:




4. Remove pushnut, vacuum motor arm and washer from the outside-recirculated door shaft (Fig. 15, view X).
5. Remove control cable from bracket (one screw) and slide it over bracket. Remove cable clip from blend door shaft.
6. Remove A/C blower motor housing (eleven screws).
7. Remove the blend door.
8. Remove the heater hoses from the heater core and plug the hoses.
9. Remove the two heater core retaining brackets (two screws).
10. Remove the heater core and seal assembly.


INSTALLATION
1. Position the heater core and seal assembly and install the core retaining brackets and screws.
2. Install the heater hoses to the heater core (two clamps) and fill the cooling system.
3. Install the blend door and frame assembly with seal in place between flanges.
4. Install the A/C blower motor housing (eleven screws).
5. Position control cable clip to the blend door shaft.
6. Install control cable to bracket attaching screw (one screw).
7. Install the washer, vacuum motor arm and pushnut on the outside-recirculation doorshaft.
8. Install A/C blower cover (five screws plus two screws attaching the blower scroll cover-to-plenum assembly).
9. Connect vacuum line to outside-recirculated vacuum motor.
10. Connect the electrical leads to the resistor.
11. Adjust the control cable.