Operation CHARM: Car repair manuals for everyone.
Manuals through 2025 now available!

Our trusted friends have launched a new website named LEMON, which has newer manuals. It also contains all the CHARM manuals.

LEMON is the spiritual successor to CHARM, I recommend you try it!

Link: lemon-manuals.la or lemon-manuals.org.ua

(Some people have issue connecting. LEMON is investigating. For now, use Firefox or change your DNS server)

Or, hide this message: temporarily or permanently

Without A/C

REMOVAL
1. Disconnect the battery cables.
2. Remove the battery (on dual battery equipped vehicles, passenger side battery).

Fig. 5 - Blower Motor And Wheel Assembly:




3. Disconnect the resistor wiring harness. (Fig. 5.)
4. Disconnect the blower motor lead wire (orange/black) at wiring harness (Fig. 5).
5. Remove ground wire (black) mounting screw from dash panel.

Fig. 8a - Heater Hose Installation.:




Fig. 8b - Heater Hose Installation.:




6. Disconnect heater hoses from the core tube and plug the hoses. Remove plastic strap retaining the heater hoses to the heater assembly (Fig. 8).

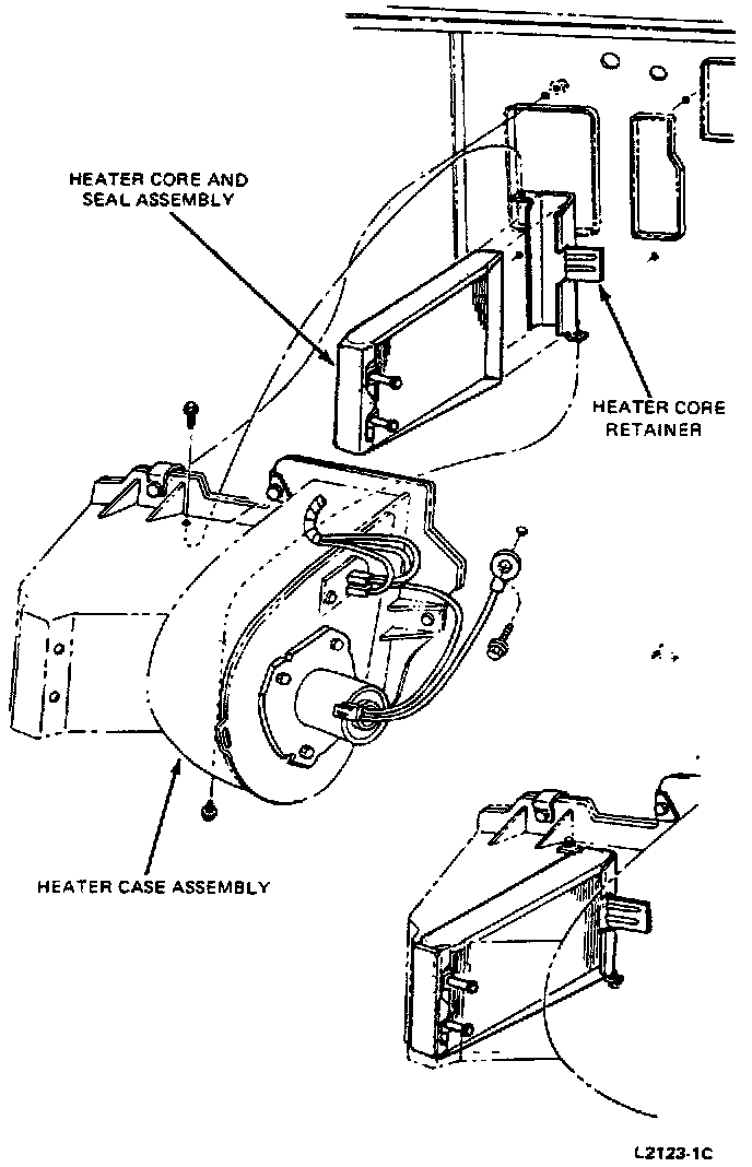
Fig. 9 - Heater Core Installation.:




Fig. 13 - Heater Assembly Installation.:




7. Remove five heater mounting attachment nuts from inside of vehicle (Figs. 9 and 13.)
8. Remove heater assembly.
9. Remove the case seal from the face of the case and remove retainer (two screws) (Fig. 9).
10. Slide core and seal assembly out of case.

INSTALLATION
1. Slide the new heater core and seal assembly into the heater core case and install the retainer with two attaching screws.
2. Install the case seal to the face of the case using care to correctly align the seal over the five case bolts.
3. Install the heater assembly by reassembling the five mounting attachment nuts from inside the vehicle.
4. Connect the heater hoses to the heater core with new clamps and install the plastic strap.
5. Install the black ground wire to the dash panel (one screw).
6. Connect the blower motor lead wire (orange/black) to the wiring harness.
7. Connect the resistor wiring harness to the resistor.
8. Install the battery and connect the battery cable.
9. Add engine coolant and check heater operation.