Operation CHARM: Car repair manuals for everyone.
Manuals through 2025 now available!

Our trusted friends have launched a new website named LEMON, which has newer manuals. It also contains all the CHARM manuals.

LEMON is the spiritual successor to CHARM, I recommend you try it!

Link: lemon-manuals.la or lemon-manuals.org.ua

(Some people have issue connecting. LEMON is investigating. For now, use Firefox or change your DNS server)

Or, hide this message: temporarily or permanently

Compressor




1. Disconnect battery ground cable.
2. Discharge refrigerant from system.
3. Disconnect wire connector from clutch field coil connector.
4. Disconnect refrigerant lines from compressor manifold and cap all open lines.

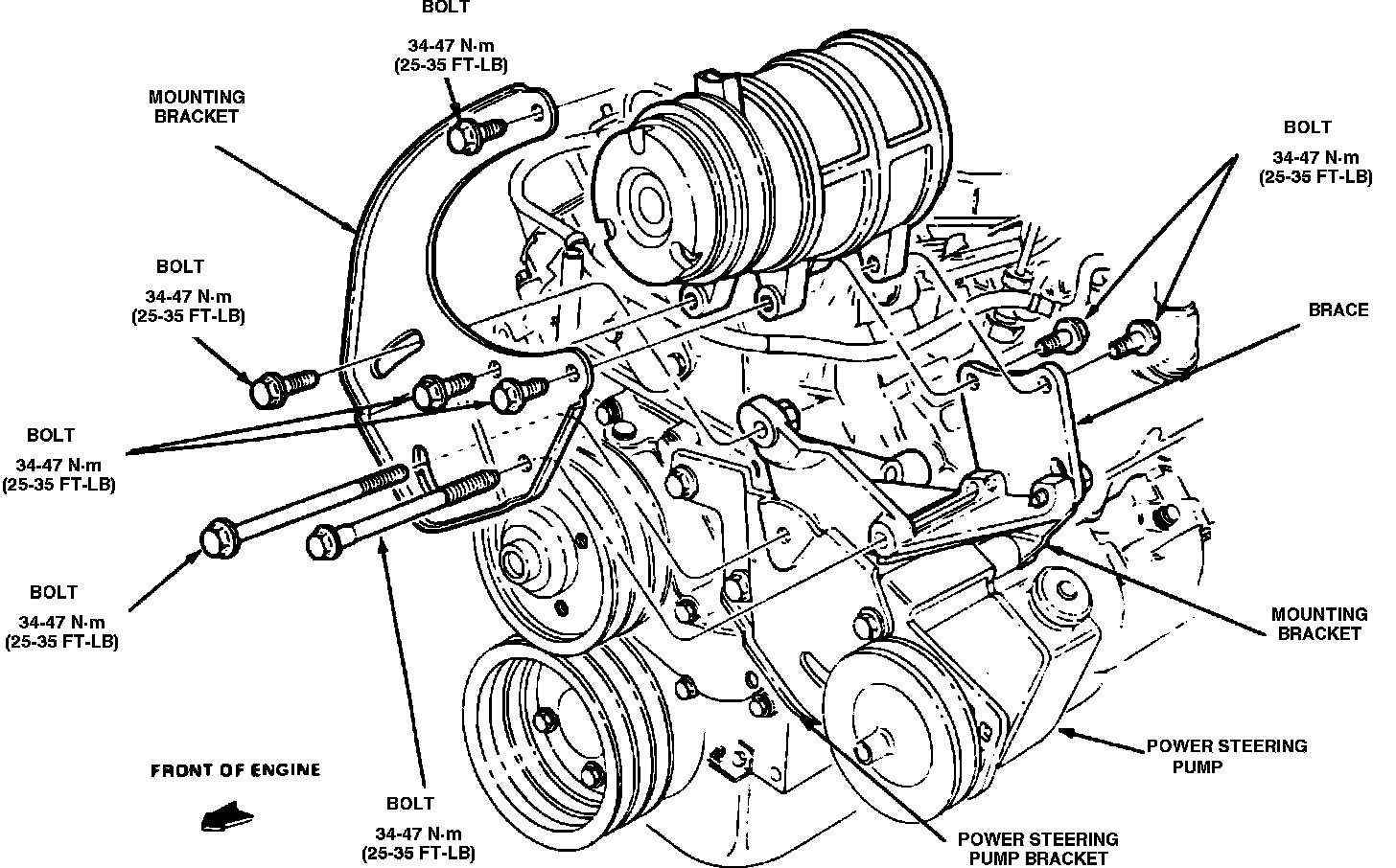
Fig. 34 Compressor removal:





5. Loosen pivot and adjusting bolts, then remove drive belt from compressor and position aside.
6. Remove five bolts attaching compressor to brackets and remove compressor from vehicle, Fig. 34.
7. Reverse procedure to install. Use new O-rings lubricated with refrigerant oil.
8. Leak test, evacuate and charge system. Check system for proper operation.