Operation CHARM: Car repair manuals for everyone.
Manuals through 2025 now available!

Our trusted friends have launched a new website named LEMON, which has newer manuals. It also contains all the CHARM manuals.

LEMON is the spiritual successor to CHARM, I recommend you try it!

Link: lemon-manuals.la or lemon-manuals.org.ua

(Some people have issue connecting. LEMON is investigating. For now, use Firefox or change your DNS server)

Or, hide this message: temporarily or permanently

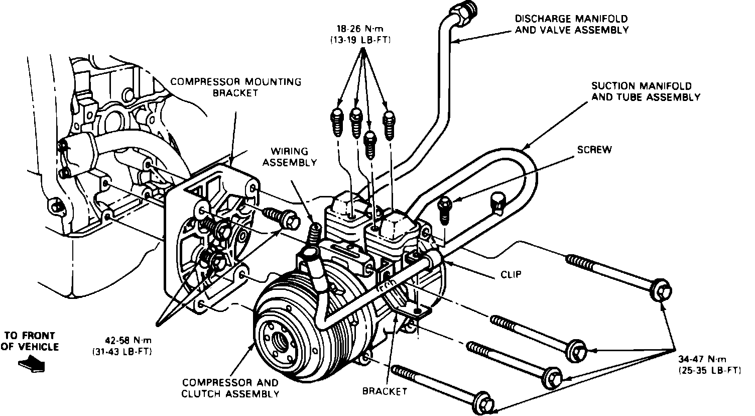
Compressor




1. Disconnect alternator wires from connector and remove alternator from vehicle.
2. Discharge refrigerant from system.
3. Disconnect compressor clutch wires from field connector on compressor.
4. Remove discharge and suction hoses from compressor manifolds. Cap refrigerant lines and compressor manifolds to prevent contamination.
5. Remove compressor drive belt.

Fig. 42 Compressor removal:




Fig. 45 Compressor removal. W/multi-point fuel injection:






6. Remove compressor attaching bolts and the compressor, Figs. 42, 45.


7. Reverse procedure to install.