Operation CHARM: Car repair manuals for everyone.
Manuals through 2025 now available!

Our trusted friends have launched a new website named LEMON, which has newer manuals. It also contains all the CHARM manuals.

LEMON is the spiritual successor to CHARM, I recommend you try it!

Link: lemon-manuals.la or lemon-manuals.org.ua

(Some people have issue connecting. LEMON is investigating. For now, use Firefox or change your DNS server)

Or, hide this message: temporarily or permanently

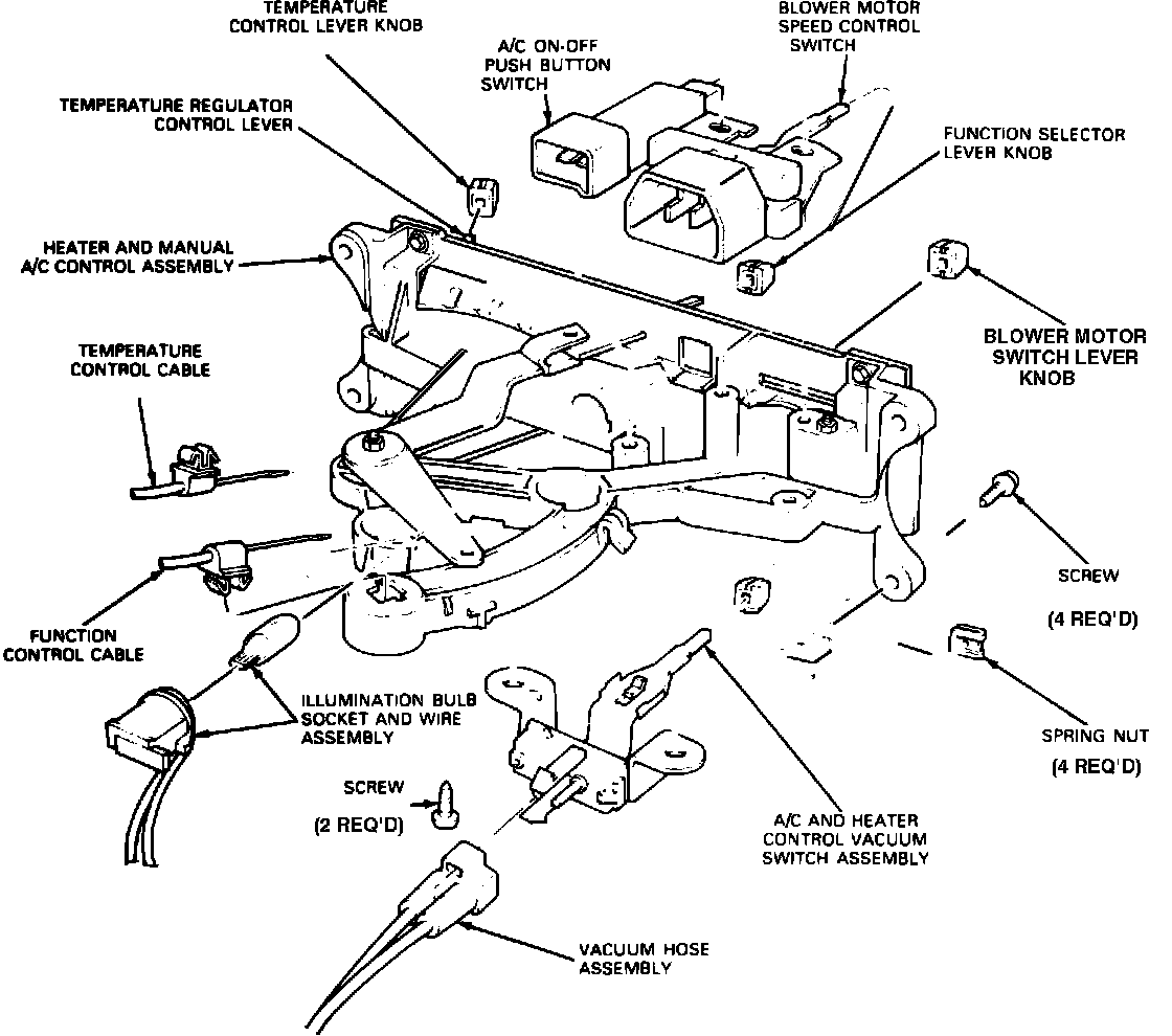
Control Assembly, HVAC

Fig. 9 Control assembly removal:






1. Remove instrument panel center finish panel. Remove control knobs from control assembly by placing a small screwdriver between knob spring retainer and control assembly. Then pull screwdriver, applying pressure on spring retainer, and pull knob off control shaft.
2. Remove four control assembly attaching screws, Fig. 9.
3. Disconnect all wire harness connectors from control assembly.
4. Disconnect vacuum harness connect from vacuum selector valve.
5. Disengage temperature cable end retainer from control assembly.
6. Rotate control approximately 180 degrees to the temperature cable and disconnect cable from control assembly, then remove control assembly.
7. Reverse procedure to install.