Operation CHARM: Car repair manuals for everyone.
Manuals through 2025 now available!

Our trusted friends have launched a new website named LEMON, which has newer manuals. It also contains all the CHARM manuals.

LEMON is the spiritual successor to CHARM, I recommend you try it!

Link: lemon-manuals.la or lemon-manuals.org.ua

(Some people have issue connecting. LEMON is investigating. For now, use Firefox or change your DNS server)

Or, hide this message: temporarily or permanently

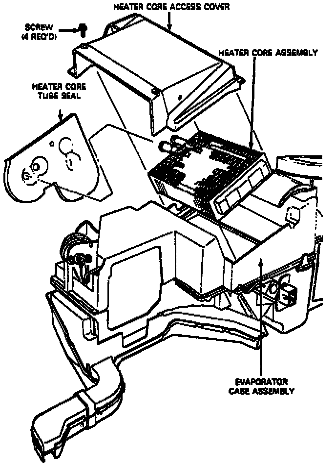
Installation






1. Install heater core tube seal on heater core tubes.
2. Inspect heater core sealer in heater case. Replace if necessary with Ford Caulking Cord1D6AZ- 1 9560-A. or equivalent
3. Install heater core in case with seals on outside of case.
4. Position heater core access cover on case. lnstall four attaching screws.
5. Position heater assembly in vehicle. Install screw attaching heater assembly support bracket to cowl top panel.
6. Check heater assembly drain tube to ensure it is through dash panel and is not pinched or kinked.
7. Working under the hood, install two nuts retaining heater assembly to dash panel. Install air inlet duct and blower housing support bracket attaching screw.
8. Install one screw retainer bracket below heater assembly to dash panel.
9. Connect blower motor ground wire to ground and the harness to resistor and blower motor lead.
10. Connect black vacuum supply hose to vacuum check valve in engine compartment
11. Install instrument panel.

Installation
A. Make any electrical or control cable connections before positioning instrument panel on cowl.
B. Place instrument panel in position on cowl. Install five panel-to-cowl attaching screws.
C. Install brake pedal support nut.
D. Install one attaching screw at each end of instrument panel at lower edge.
E. Position steering column opening reinforcement on instrument panel and install four screws.
F. Snap each speaker cover into place and install one screw in each.
G. Snap defroster grille into place.
H. Install console.
I. Install glove compartment and door assembly.
J. Put steering column cover assembly in place and install two screws.
K. Install steering column shroud extension with two attaching screws.
L. Push wiring harness (14401) and connectors through hole in dash panel.
M. Ensure rubber grommet for wiring harness is positioned properly in dash panel.
N. Make all wiring harness connections.

2.3L Heater Hose Routing:






12. Connect heater hoses to heater core. Fill cooling system.
13. Install floor console.
A. Place console assembly over transmission tunnel.
B. Replace four screws which attach console assembly to instrument panel.
C. Replace four screws which attach console assembly to console panel front support.
D. Replace two screws which attach rear end of console assembly to console panel support assembly.
E. Place console top panel assembly onto console assembly and connect two electrical connections.
F. Replace four screws which attach console top panel assembly to console assembly.
G. Connect battery ground cable.
14. Check system for proper operation.