Operation CHARM: Car repair manuals for everyone.
Manuals through 2025 now available!

Our trusted friends have launched a new website named LEMON, which has newer manuals. It also contains all the CHARM manuals.

LEMON is the spiritual successor to CHARM, I recommend you try it!

Link: lemon-manuals.la or lemon-manuals.org.ua

(Some people have issue connecting. LEMON is investigating. For now, use Firefox or change your DNS server)

Or, hide this message: temporarily or permanently

Glow Plug System: Testing and Inspection

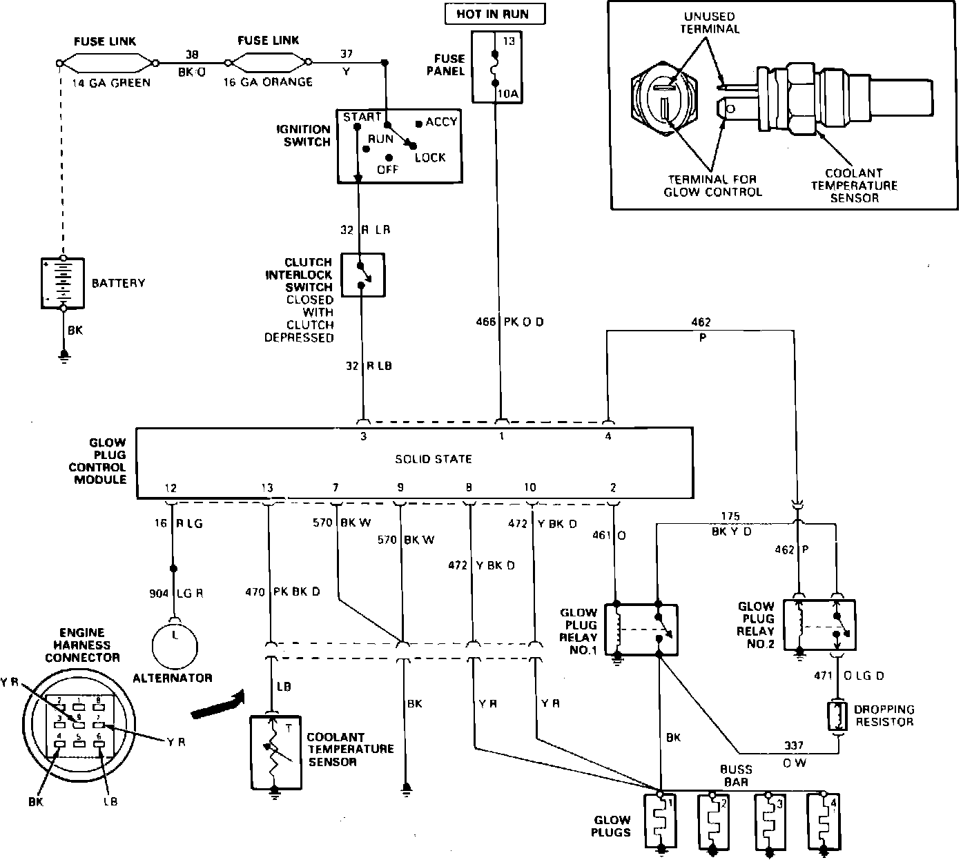
Fig. 1 Super-Quick start glow plug control system schematic:




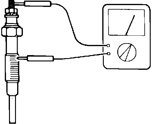
Fig. 3 Testing coolant temperature sensor:





Refer to Fig. 1 during system diagnosis. Also, if engine coolant temperature is above 86° F, disconnect coolant temperature sensor electrical connector during system diagnosis.
1. Turn ignition switch to the Run position, then check voltage between glow plug buss bar and engine block. Voltage should be a minimum of 10 volts for one to six seconds after ignition is turned to the Run position. If voltage is satisfactory, proceed to step 9. If voltage is not satisfactory, proceed to step 2.
2. Check for battery voltage on battery side of glow plug relay No. 1. If battery voltage is present, proceed to step 3. If battery voltage is not present, repair circuit between battery and glow plug relay No. 1 and repeat test.
3. Connect voltmeter between Glow Plug Control Module (GPCM) pin No. 1 and ground, then turn ignition switch to the Run position. Voltage should be a minimum of 10 volts. If voltage is satisfactory, proceed to step 4. If voltage is not satisfactory, repair or replace ignition switch and/or circuit to GPCM pin No. 1 as required and repeat test.
4. Turn ignition switch to the Off position, then check for continuity of the circuit between No. 1 glow plug relay and glow plug buss bar. If continuity is present, proceed to step 5. If continuity is not present, repair circuit as required and repeat test.
5. Connect voltmeter between GPCM pin No. 2 and ground, then turn ignition switch to the Run position. Voltmeter should read a minimum of 10 volts for one to six seconds after ignition switch is turned to the Run position. If voltage is satisfactory, replace glow plug relay No. 1 and repeat test. If voltage is not satisfactory, proceed to step 6.
6. Disconnect engine coolant temperature sensor and GPCM electrical connector. Connect ohmmeter between GPCM pin No. 13 and ground. If continuity is not present, proceed to step 7. If continuity is present, repair short to ground in circuit to GPCM pin No. 13.
7. Connect GPCM electrical connector and leave engine coolant temperature sensor disconnected. Connect voltmeter between GPCM pin No. 2 and ground, then turn ignition switch to the Run position. Voltmeter should read a minimum of 10 volts for one to six seconds after ignition switch is turned to the Run position. If voltage is satisfactory, proceed to step 8. If voltage is not satisfactory, replace GPCM and repeat test.
8. Remove engine coolant temperature sensor from engine and place sensor in a container of water as shown in Fig. 3. Bring water to a temperature of 68° F, then check resistance of sensor. If resistance is between 2800---3800 ohms, repair circuit between GPCM pin No. 13 and coolant temperature sensor and repeat test. If resistance is not between 2800---3800 ohms, replace sensor and repeat test.
9. Connect voltmeter between glow plug buss bar and ground, then turn ignition switch to Run position and note voltage. Voltage should be 5---8 volts for six seconds after No. 1 glow plug relay turns off. If voltage is satisfactory, proceed to step 14. If voltage is not satisfactory, proceed to step 10.
10. Check for battery voltage on circuit at glow plug relay No. 2. If battery voltage is present, proceed to step 11. If battery voltage is not present, repair circuit between battery and glow plug relay No. 2 and repeat test.
11. Check continuity of circuit between glow plug relay No. 2 and glow buss bar with ignition switch in the Off position. If continuity is present, proceed to step 13. If continuity is not present, proceed to step 12.
12. Disconnect dropping resistor electrical connector, then check continuity of resistor. If continuity is present, repair circuit as required. If continuity is not present, replace dropping resistor and repeat test. Dropping resistor becomes extremely hot during operation of the glow plug system.

13. Connect voltmeter between GPCM pin No. 4 and ground, then crank engine and note voltage. If voltmeter indicates 10 volts or more for seven or more seconds after ignition is cranked, replace glow plug relay No. 2 and repeat step 9. If voltmeter does not indicate 10 volts or more for seven or more seconds after ignition is cranked, replace GPCM and repeat test.
14. Connect voltmeter between GPCM pin No. 4 and ground, then crank engine and note voltage. If voltmeter indicates 9 volts or more while cranking engine, proceed to step 16. If voltmeter does not indicate 9 volts or more while cranking engine, proceed to step 15.
15. Connect voltmeter between GPCM pin No. 3 and ground, then crank engine and note voltage. If voltmeter indicates 9 volts or more while cranking engine, replace GPCM and repeat test. If voltmeter does not indicate 9 volts or more while cranking engine, repair or replace ignition switch and/or wiring to GPCM pin No. 3 and repeat test.
16. Disconnect glow plug buss bar, then remove glow plugs from engine and inspect for breakage and/or cracks. If glow plugs are satisfactory, proceed to step 17. If glow plugs are not satisfactory, check engine compression and proceed to step 17.


Fig. 4 Checking glow plug resistance:





17. Measure resistance of each glow plug with plugs at a temperature of approximately 68° F, Fig. 4. Resistance should be approximately .23 ohms or less. If resistance is satisfactory, proceed to step 18. If resistance is not satisfactory, replace glow plugs as required, then install buss bar and repeat test.
18. Disconnect engine harness and GPCM electrical connectors. Check continuity between GPCM pin No. 7 and engine harness connector pin No. 4 (harness side), then check continuity between GPCM pin No. 9 and engine harness connector pin No. 4 (harness side). If continuity is present, leave engine harness connector disconnected and proceed to step 19. If continuity is not present, repair wiring between GPCM pin No. 7 and/or pin No. 9 and engine harness connector pin No. 4 and repeat test.
19. Connect ohmmeter between engine harness connect pin No. 4 (engine side) and ground. If continuity is present, connect engine harness connector and proceed to step 20. If continuity is not present, repair wiring between engine harness connector pin No. 4 and ground and repeat test.
20. Turn ignition to the Start position. If engine starts, turn ignition switch Off and proceed to step 21. If engine does not start, problem is not glow plug system. Connect coolant temperature sensor and perform ``ENGINE PERFORMANCE DIAGNOSIS.''
21. Connect voltmeter between glow plug buss bar and ground, then start engine and note voltage. Voltage should be 5---8 volts for 6---30 seconds after engine starts. If voltage is satisfactory, glow plug system is satisfactory and problem is elsewhere in vehicle. If voltage is not present after engine starts, turn engine Off and proceed to step 22. If voltage is 5---8 volts for 30 seconds or more after engine starts, turn engine Off and proceed to step 24.
22. Connect voltmeter between GPCM pin No. 12 and ground, then start engine and note voltage. If voltage is approximately 14 volts, turn ignition Off and proceed to step 23. If voltage is 12 volts or less, repair wiring between GPCM pin No. 12 and alternator and repeat test.
23. Connect voltmeter between GPCM pin No. 4 and ground, then start engine. If voltmeter indicates 10 volts or more for 6---30 seconds after engine starts, steps 9 through 13 were performed incorrectly. Repeat steps 9 through 13. If voltmeter does not indicate 10 volts or more for 6---30 seconds after engine starts, replace GPCM and repeat test.
24. Connect voltmeter between glow plug buss bar and engine block. Connect coolant temperature sensor, then start engine. Note voltage while disconnecting coolant temperature sensor electrical connector. Voltage should be 5---8 volts with sensor connected and no voltage with sensor disconnected. If voltage is satisfactory, glow plug system is satisfactory and problem is elsewhere in vehicle. If voltage is not satisfactory, repeat step 21.