Operation CHARM: Car repair manuals for everyone.
Manuals through 2025 now available!

Our trusted friends have launched a new website named LEMON, which has newer manuals. It also contains all the CHARM manuals.

LEMON is the spiritual successor to CHARM, I recommend you try it!

Link: lemon-manuals.la or lemon-manuals.org.ua

(Some people have issue connecting. LEMON is investigating. For now, use Firefox or change your DNS server)

Or, hide this message: temporarily or permanently

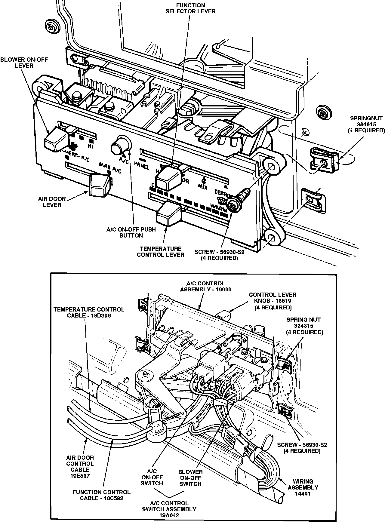
Control Panel Assembly Replace



1. Disconnect battery ground cable, then remove control knobs from radio shafts, if equipped.
2. Remove four screws attaching top of cluster finish panel to upper finish panel pad.
3. Remove lighter and center and left instrument panel trim panels.
4. Pull headlamp switch to on and detach left instrument panel trim panel enough to allow access to cluster finish panel lower attaching screw.
5. Remove four screws attaching bottom of cluster finish panel to instrument panel and lift cluster finish panel away from instrument panel.

Fig. 10 Control assembly & electrical connectors:





6. Remove four screws attaching control assembly to instrument panel, Fig. 10.
7. Pull control through instrument panel opening far enough to allow removal of electrical connections from blower switch and control light. Remove connections, Fig. 10.
8. Working from bottom of control using a screwdriver or needle nose pliers, release function cable snap-in flag from control bracket.
9. Pull enough cable through instrument panel opening until function cable can be held vertical to control. Remove control cable from function lever.
10. Working from top of control assembly, using needle nose pliers, release temperature cable snap-in flag and air door cable snap-in flag.
11. Rotate control down and disconnect temperature cable wire from temperature control lever and air door cable wire from air door control lever. Move control assembly away from instrument panel.
12. Reverse procedure to install.