Operation CHARM: Car repair manuals for everyone.
Manuals through 2025 now available!

Our trusted friends have launched a new website named LEMON, which has newer manuals. It also contains all the CHARM manuals.

LEMON is the spiritual successor to CHARM, I recommend you try it!

Link: lemon-manuals.la or lemon-manuals.org.ua

(Some people have issue connecting. LEMON is investigating. For now, use Firefox or change your DNS server)

Or, hide this message: temporarily or permanently

Images

Case & Related Parts, ATX Model:



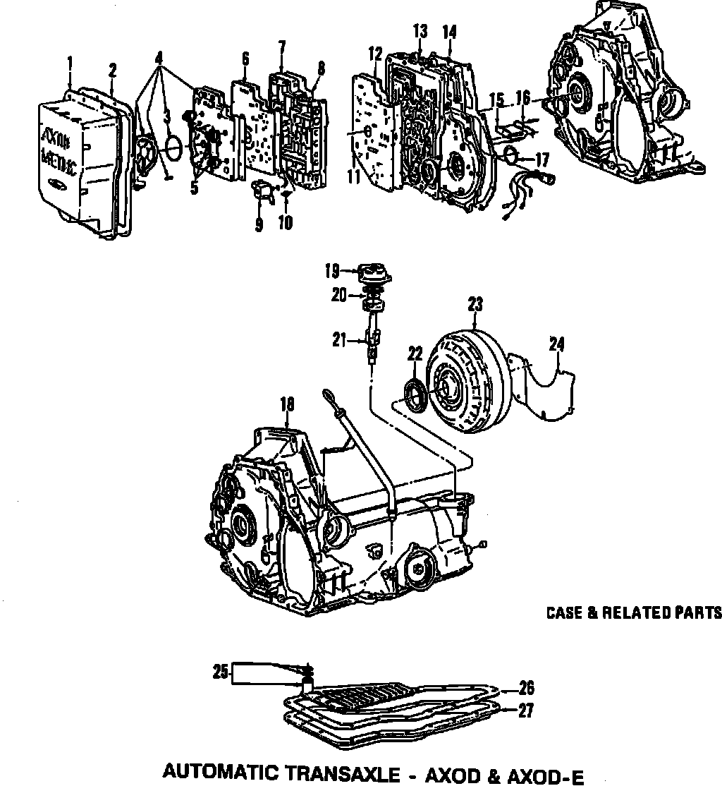
Case & Related Parts, AXOD, AXOD-E Models:



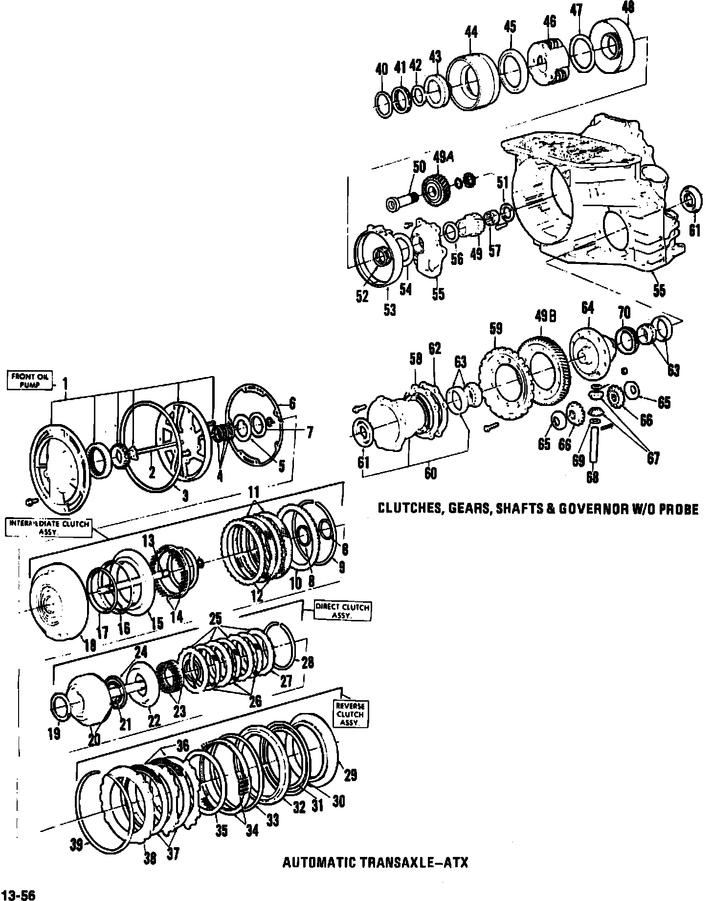
Clutches, Gears & Shafts, ATX Model:



Clutches, Gears, Shafts & Governor, AXOD, AXOD-E Models:



Parking Pawl & Control Linkage, AXOD, AXOD-E Models:



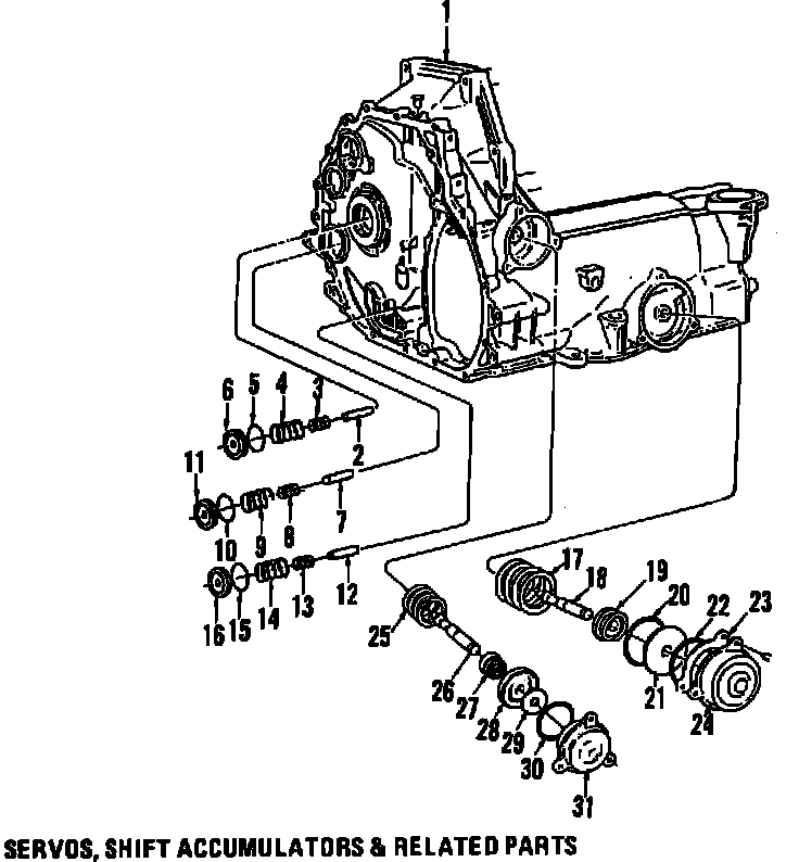
Servos, Shift Accumulators & Related Parts, AXOD, AXOD-E Models: