Operation CHARM: Car repair manuals for everyone.
Manuals through 2025 now available!

Our trusted friends have launched a new website named LEMON, which has newer manuals. It also contains all the CHARM manuals.

LEMON is the spiritual successor to CHARM, I recommend you try it!

Link: lemon-manuals.la or lemon-manuals.org.ua

(Some people have issue connecting. LEMON is investigating. For now, use Firefox or change your DNS server)

Or, hide this message: temporarily or permanently

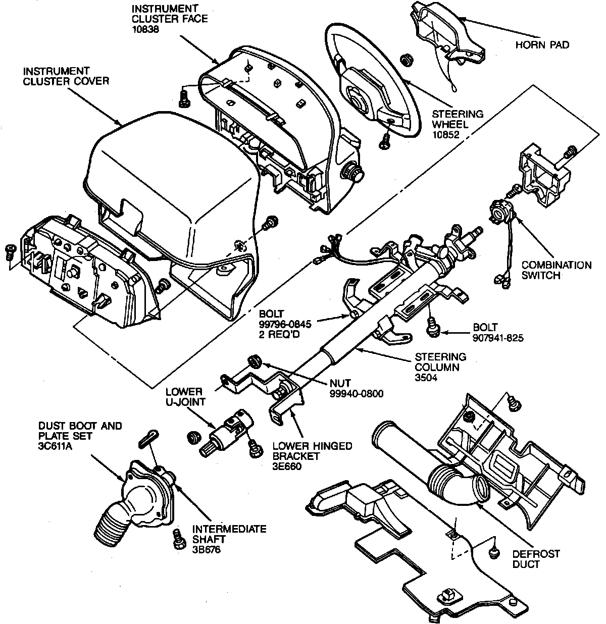
Models Less Airbag


When servicing collapsible steering columns, care should be exercised since they are extremely susceptible to damage. Dropping of or leaning on column or striking sharp blows on end of steering shaft or shift levers could loosen or shear plastic fasteners which maintain column rigidity. It is important that only the specified screws, bolts and nuts be used during the mandatory reassembly sequence and torqued to specifications to insure proper breakaway action of column under impact. Avoid using excessively long bolts as they may prevent a portion of the steering column from collapsing under impact. When removing or installing, steering wheel, ignition switch or lock, turn signal switch, adjusting transmission linkage, or installing and adjusting neutral-start or back-up light switch, refer to appropriate car chapter. If a shift tube shows a sheared plastic injection, a new shift tube must be installed. If a steering shaft shows a sheared plastic, or if the steering column has been collapsed a complete new column must be installed. On some models, the attaching brackets will shear under impact and must also be replaced.

Fig. 6 Steering Column Installation:





Removal

1. Disconnect battery ground cable.
2. Working from back side of steering wheel, remove two horn pad attaching screws. Carefully separate horn pad from steering wheel, disconnect electrical connector, then place pad aside.
3. Remove steering wheel attaching nut.
4. On 1989-90 models, use a suitable puller, separate steering wheel from steering shaft.
5. On 1991-92 models, do not use a steering wheel puller, using a puller will collapse the steering shaft. Paint an aligning stripe on steering wheel and shaft, then pull steering wheel off.
6. On all models, remove two steering column cover attaching screws, then the cover.
7. Remove nine instrument cover attaching screws, then carefully pull instrument cover outward and remove ignition illumination bulb. Disconnect electrical connectors and remove cover.
8. Loosen two instrument cluster cover hinge screws.
9. Remove six instrument cluster cover attaching screws, then the cover.
10. Remove lower panel.
11. Remove lap and defroster ducts.
12. Disconnect four electrical connectors from turn signal switch assembly.
13. Remove U-joint cinch bolt from lower end of steering shaft.
14. Remove hinge bracket mounting nuts.
15. Remove four cluster support nuts.
16. Remove four nuts and two bolts from upper steering column bracket, then the steering shaft assembly.
17. Raise dust boot covering intermediate shaft U-joint at steering rack, then remove cinch bolt from U-joint.
18. Remove four intermediate shaft dust cover assembly attaching nuts, then the intermediate shaft assembly.

Installation

1. Guide lower U-joint onto steering rack pinion while an assistant holds intermediate shaft and dust cover assembly. Install and torque cinch bolt to 13-20 ft. lbs.
2. Install dust cover assembly with retaining nuts.
3. Guide steering column into upper intermediate U-joint while an assistant holds the column. Do not install cinch bolt at this time.
4. Install hinge bracket nuts. Do not tighten at this time.
5. Install four upper column bracket bolts.
6. Torque hinge bracket nuts to 12-17 ft. lbs and upper bracket bolts to 12-17 ft. lbs.
7. Install and torque support nuts and cluster support nuts to 6.5-10 ft. lbs.
8. Connect ignition switch electrical connectors.
9. Install instrument cluster cover. Tighten attaching screws and two hinge screws.
10. Connect seven instrument cluster electrical connectors.
11. Install ignition illumination bulb.
12. Install instrument cover with nine attaching screws.
13. Install lap and defroster ducts and lower panel.
14. Install steering column cover.
15. Align and install steering wheel. Torque attaching nut to 29-36 ft. lbs.
16. Connect horn pad electrical connector, then install horn pad and two attaching screws.
17. Reconnect battery negative cable.