Operation CHARM: Car repair manuals for everyone.
Manuals through 2025 now available!

Our trusted friends have launched a new website named LEMON, which has newer manuals. It also contains all the CHARM manuals.

LEMON is the spiritual successor to CHARM, I recommend you try it!

Link: lemon-manuals.la or lemon-manuals.org.ua

(Some people have issue connecting. LEMON is investigating. For now, use Firefox or change your DNS server)

Or, hide this message: temporarily or permanently

Disassembly


Exploded View Of Transaxle:





1. Mount transaxle on bench mounting fixture tool No. T57L-500-B or equivalent, then remove drain plug and drain fluid.
2. Remove rear cover retaining bolts, then the rear cover. Do not pry cover from case.
3. Shift transaxle into 1st gear.

Input Shaft Locking Tool:





4. Using torque adapter T88C-7025-GH or equivalent, lock input shaft, then uncrimp tabs and remove locknuts.
5. Remove input reverse synchronizer gear, then the main reverse synchronizer gear.
6. Using a pin punch, drive out roll pin, then remove shift fork, synchronizer ring and clutch hub assembly.
7. Remove synchronizer ring, input 5th gear and gear sleeve.

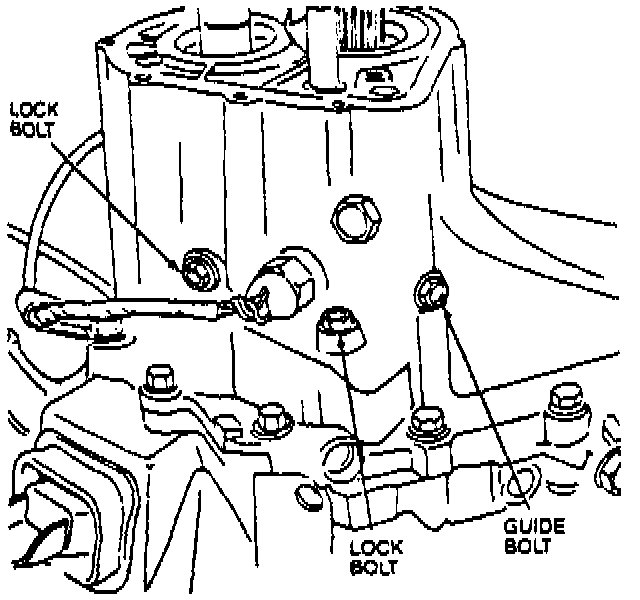
Lock Bolt, Washer, Guide Bolt, Springs & Ball Removal:





8. Remove main 5th gear, then the lock bolts, washer, guide bolt, springs and ball.
9. Tap transaxle case lightly with a plastic hammer to break gasket seal, then remove transaxle case and the magnet.

Reverse Idler Shaft & Gear Removal:





10. Remove reverse idler shaft and gear.
11. Remove lock bolt from gate, then the 5th/reverse gear clip and shift rod.
12. Remove gate and pin, then the crank lever shaft and assembly.

Interlock Sleeve & Control Lever Alignment:





13. Align ends of the interlock sleeve and control lever, then turn shift rod counterclockwise.
14. Raise both shift forks and shift the clutch hub sleeves, then lift the control end and remove the steel ball.
15. Remove shift fork and shift rod assembly.
16. Remove input shaft gear assembly, then the mainshaft assembly.
17. Remove differential assembly, input shaft bearing cups, diaphragm spring and adjustment shims.
18. Remove input shaft seal using puller tool No. T58L-101-B and slide hammer tool No. T50T-100-A or equivalents.
19. Remove mainshaft bearing cups, adjustment shims, diaphragm spring and funnel.
20. Remove the guide plate, spacer and change arm, then using a pin punch, the selector pin.
21. Remove the change rod and boot, spring, reverse gate, then the selector.
22. Remove change arm oil seal, using collet D80L-100-D, actuator pin D80L-100-G and slide hammer D80L-100-D from the blind hole puller set D80L-100-A or equivalent.
23. Remove breather cover and breather, then the speedometer driven gear assembly or vehicle speed sensor from the case, if equipped.

Differential Bearing Cup Removal:





24. Remove differential bearing cups using stator and sprocket bearing replacer tool No. T86P-70043-A, disc brake piston remover tool No. T73L-2196-A and slide hammer T50T-100-A or equivalents.
25. Remove the reverse lever shaft and reverse lever, then the neutral switch and gasket.
26. Remove the differential seals, using bearing cup puller tool No. T77F-1102-A and slide hammer tool No. T50T-100-A or equivalents.