Operation CHARM: Car repair manuals for everyone.
Manuals through 2025 now available!

Our trusted friends have launched a new website named LEMON, which has newer manuals. It also contains all the CHARM manuals.

LEMON is the spiritual successor to CHARM, I recommend you try it!

Link: lemon-manuals.la or lemon-manuals.org.ua

(Some people have issue connecting. LEMON is investigating. For now, use Firefox or change your DNS server)

Or, hide this message: temporarily or permanently

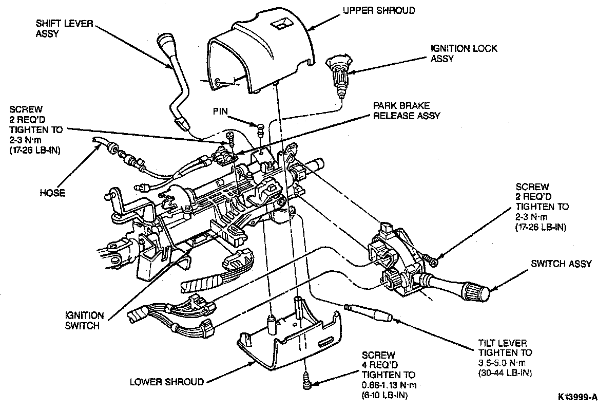
Multi-Function Switch





Switch, Multi-Function






Removal

1. Disconnect battery ground cable.

2. If so equipped, tilt column to lowest position and remove tilt lever.

3. Remove ignition lock cylinder as outlined.

4. Remove three shroud screws and remove upper and lower shroud.

5. Remove two self-tapping screws that attach multi-function switch to steering column casting. Disengage switch from casting.

6. Remove wiring harness retainer and disconnect three electrical connectors.

Installation

1. Install three electrical connectors to full engagement.

2. Align multi-function switch mounting holes with corresponding holes in the steering column casting. Install two self-tapping screws making sure to start the screws in the previously tapped holes. Tighten to 2-3 N-m (17-26 lb-in).

3. Install wiring harness retainer.

4. Install upper and lower steering column trim shroud with three screws.

5. Install ignition lock cylinder.

6. Attach tilt lever, if so equipped..

7. Connect battery ground cable.

7. Check steering column and switch for proper operation.