Operation CHARM: Car repair manuals for everyone.
Manuals through 2025 now available!

Our trusted friends have launched a new website named LEMON, which has newer manuals. It also contains all the CHARM manuals.

LEMON is the spiritual successor to CHARM, I recommend you try it!

Link: lemon-manuals.la or lemon-manuals.org.ua

(Some people have issue connecting. LEMON is investigating. For now, use Firefox or change your DNS server)

Or, hide this message: temporarily or permanently

Intake Manifold: Service and Repair

The following procedure has been revised by a Technical Service Bulletin.

Removal






1. Disconnect battery ground cable and drain engine cooling system.
2. Remove air cleaner assembly including air intake duct and heat tube.
3. Disconnect accelerator cable at throttle body assembly, then speed control cable, if equipped.
4. Disconnect transmission linkage at upper intake manifold.
5. Remove bolts from accelerator cable mounting bracket and position cables aside.

6. Disconnect Thermactor air supply hose at the check valve. the valve is located in the Y-pipe assembly
7. Disconnect flexible fuel lines from steel lines over rocker arm cover
8. Disconnect fuel lines at injector fuel rail assembly.

9. For supercharged models remove supercharger. Refer to Supercharger Assembly Service and Repair

10. On all models, disconnect radiator hose at thermostat housing, then the coolant bypass hose from manifold.
11. Remove heater tube as follows:
a. Disconnect heater tube from intake manifold.
b. Remove tube support bracket retaining nuts, then remove heater hose from rear of heater tube.
c. Loosen hose clamp at heater elbow, then remove heater tube with hose attached.
d. Remove heater tube with lines attached and set assembly aside.

12. Disconnect vacuum lines at fuel rail assembly and intake manifold, then disconnect necessary electrical connectors.
13. Disconnect necessary electrical connectors.
14. Remove A/C compressor support bracket, if equipped.
15. Disconnect one PCV line from upper intake manifold and valve. Remove second PCV line from left rocker cover.

16. Remove throttle body assembly
17. Then the EGR valve assembly from upper manifold.
18. Remove wiring retainer bracket from left front side of intake manifold and position aside with spark plug wires.
19. Remove upper intake manifold bolts and studs
20. Remove the upper intake manifold.
21. Remove injectors and fuel rail assembly.
22. Remove heater water outlet hose.

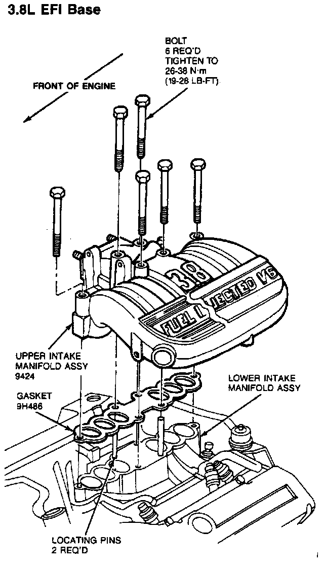
3.8 EFI Base:





3.8 Supercharged:






23. Remove the lower intake manifold attaching bolts and studs.






24. Remove lower intake manifold.

Note:
The manifold is sealed at each end with RTV-type sealer. To break seal, it may be necessary to pry on front of manifold with a screwdriver blade. Use care to prevent damage to machined surfaces when prying with screwdriver.

25. Remove and discard manifold side gaskets and end seals.
26. If lower manifold is to be disassembled, perform the following
a. Remove thermostat housing and thermostat
b. Remove temperature sending unit.
c. Remove heater elbow.
d. Remove all vacuum and electrical fittings.


Installation

NOTE: Lightly oil all attaching bolt and stud threads before installation.

NOTE: When using silicone rubber sealer, assembly must occur within 15 minutes after sealer application. After this time, the sealer may start to set-up, and its sealing effectiveness may be reduced.

3.8 EFI Base:





3.8 EFI Supercharged:







1. The lower intake manifold, cylinder head, and cylinder block mating surfaces should be clean and free of old gasketing material. Use a suitable solvent to clean these surfaces.






2. If intake manifold was disassembled:
a. Apply a coat of Pipe Sealant with Teflon� DBAZ-19554-A (ESG-M4G194-A and ESRM18P7-A) or equivalent to the threads of the temperature sending unit, all vacuum fittings, heater elbows, and electrical fittings, if equipped.
b. Install thermostat (note direction) and gasket. Install thermostat housing. Tighten attaching bolts to 20-30 N.m (15-22 lb-ft).

3. Apply a dab of Gasket and Trim Adhesive 19B508-AA (ESR-M1 1 P17-A) or equivalent to each cylinder head mating surface. Press new intake manifold gasket into place, using location pins as necessary to aid in assembly.

NOTE: Using solvent, clean sealing surfaces of cylinder heads and intake manifold before applying Silicone Sealer.

4. Apply a 3-4mm (1/8-inch) bead of Silicone Sealer D6AZ-1 9562-B (ESB-M4G92-A and ESE-M4G1 95-A) or equivalent at each corner where the cylinder head joins the cylinder block.
5. Install front and rear intake manifold end seals.
6. Carefully lower intake manifold into position on cylinder block and cylinder heads. Use locating pins as necessary to guide manifold.
7. Install bolts and stud bolt (base only) in their original locations. Tighten in numerical sequence to the following specifications in three steps (base only):
1. 10 N.m (7.5 lb-ft).
2. 20 N.m (15 lb-ft).
3. 32 N.m (24 lb-ft).

8. On supercharged engines, tighten bolts in sequence to the following specifications in two steps:
1. 10 N.m (7.5 lb-ft).
2. 15 N.m (11 lb-ft).

9. Connect rear PCV line to upper intake tube.
10. Install front PCV tube so that the mounting bracket sits over the lower intake manifold stud. Tighten nut on stud to 20-30 N.m (15-22 lb-ft).
11. Install injectors and fuel rail assembly.
12. Position upper intake manifold gasket and manifold on top of lower intake. Use locating pins to secure position of gasket between manifolds.
13. Install bolts and stud bolts in original locations. Tighten four center bolts, and then end bolts using same tightening sequence as listed under Step 7.
14. Install EGR valve assembly on manifold. Tighten retaining bolts to 20-30 N.m (15-22 lb-ft).






15. Install throttle body. Cross-tighten hold-down nuts to 20-30 N.m (15-22 lb-ft).
16. Connect rear PCV line at PCV valve on the upper intake manifold.





3.8 EFI Supercharged:






17. If vehicle is equipped with air conditioning, install compressor support bracket. Tighten attaching fasteners to 20-30 N.m (15-22 lb-ft).
18. Connect necessary electrical connectors.
19. Connect necessary vacuum hoses.
20. Connect heater tube hose to heater elbow.
21. Position heater tube support bracket and tighten attaching nut to 20-30 N.m (15-22 lb-ft). Tighten hose clamp at heater elbow securely.
22. Connect heater hose to the rear of the heater tube and tighten hose clamp.
23. Connect coolant bypass hose. Tighten hose clamp securely.
24. Connect radiator upper hose. Tighten hose clamp securely.
25. Connect fuel line(s) at injector fuel rail assembly.
26. Connect flexible fuel lines to steel lines.
27. Position accelerator cable mounting bracket. Install and tighten attaching bolts to 20-30 N.m (15-22 lb-ft).
28. Connect speed control cable, if so equipped, to the fuel charging assembly.
29. Connect transmission linkage at upper intake manifold assembly.
30. Fill cooling system with specified coolant.

CAUTION: This engine has an aluminum cylinder head and requires a special corrosion inhibiting coolant to avoid radiator damage.

31. Start engine and check for coolant or fuel leaks.
32. Check and, if necessary, adjust engine idle speed, transmission throttle linkage and speed control.