Operation CHARM: Car repair manuals for everyone.
Manuals through 2025 now available!

Our trusted friends have launched a new website named LEMON, which has newer manuals. It also contains all the CHARM manuals.

LEMON is the spiritual successor to CHARM, I recommend you try it!

Link: lemon-manuals.la or lemon-manuals.org.ua

(Some people have issue connecting. LEMON is investigating. For now, use Firefox or change your DNS server)

Or, hide this message: temporarily or permanently

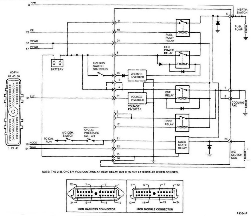
Integrated Control Relay Module




Integral Relay Control Module (IRCM)

IRCM (2.3L):






IRCM (2.3L) Pin Usage:






The Integral Relay Control Module (IRCM) interfaces with the EEC-IV processor to provide control of the cooling fan, A/C clutch, and the fuel pump.