Operation CHARM: Car repair manuals for everyone.
Manuals through 2025 now available!

Our trusted friends have launched a new website named LEMON, which has newer manuals. It also contains all the CHARM manuals.

LEMON is the spiritual successor to CHARM, I recommend you try it!

Link: lemon-manuals.la or lemon-manuals.org.ua

(Some people have issue connecting. LEMON is investigating. For now, use Firefox or change your DNS server)

Or, hide this message: temporarily or permanently

Cruise Control Servo: Service and Repair

Electric Actuator

Fig. 81 Actuator Replace. Electric:





1. Disconnect battery ground cable, then remove wiring routing clip from actuator cable.
2. Disconnect actuator electrical connector, then remove actuator bracket, Fig. 81.
3. Remove actuator cover, then loosen adjusting nut and locknut.
4. Remove actuator cable, two actuator mounting nuts, then the actuator.
5. Reverse procedure to install.


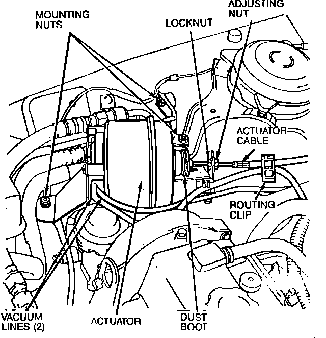
Vacuum Actuator


Fig. 80 Actuator Replace. Vacuum:





1. Disconnect battery negative cable.
2. Disconnect actuator electrical connector.
3. Remove actuator cable routing clip, then two actuator vacuum lines, Fig. 80.
4. Loosen adjusting nut and locknut then pull dust boot back to gain access to actuator rod.
5. Remove actuator cable from actuator rod and bracket.
6. Remove three actuator mounting nuts, then the actuator.
7. Reverse procedure to install.