Operation CHARM: Car repair manuals for everyone.
Manuals through 2025 now available!

Our trusted friends have launched a new website named LEMON, which has newer manuals. It also contains all the CHARM manuals.

LEMON is the spiritual successor to CHARM, I recommend you try it!

Link: lemon-manuals.la or lemon-manuals.org.ua

(Some people have issue connecting. LEMON is investigating. For now, use Firefox or change your DNS server)

Or, hide this message: temporarily or permanently

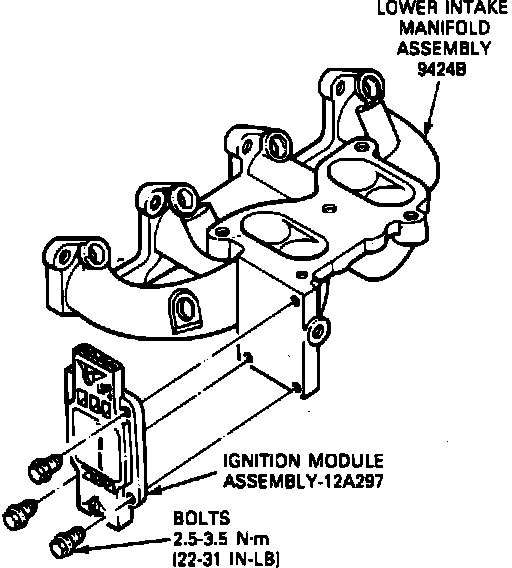
Ignition Control Module: Description and Operation

Distributorless Ignition System (DIS) Module:





The primary function of the Distributorless Ignition (DIS) module is to switch between ignition coils and to trigger the coils to spark. The DIS module receives the Profile Ignition Pickup (PIP) and Crankshaft Identification (CID) signals from the crankshaft timing sensor, and the Spark Output (SPOUT) signal from the Engine Control Assembly (ECA). During normal operation, PIP data is sent to the ECA and provides base timing and engine speed information. The CID signal provides the DIS module with the data required to switch between the coils for cylinders 1 and 4, and the coils for cylinders 2 and 3. The SPOUT signal contains the optimum spark timing and dwell time information. The dwell time is controlled or varied by varying the duration of the SPOUT signal. This is called Computer Controlled Dwell (CCD). Therefore, with the proper inputs of PIP, CID, and SPOUT, the DIS module turns the ignition coils ON and OFF in the proper order for spark control.