Operation CHARM: Car repair manuals for everyone.
Manuals through 2025 now available!

Our trusted friends have launched a new website named LEMON, which has newer manuals. It also contains all the CHARM manuals.

LEMON is the spiritual successor to CHARM, I recommend you try it!

Link: lemon-manuals.la or lemon-manuals.org.ua

(Some people have issue connecting. LEMON is investigating. For now, use Firefox or change your DNS server)

Or, hide this message: temporarily or permanently

Disassembly

DISASSEMBLE

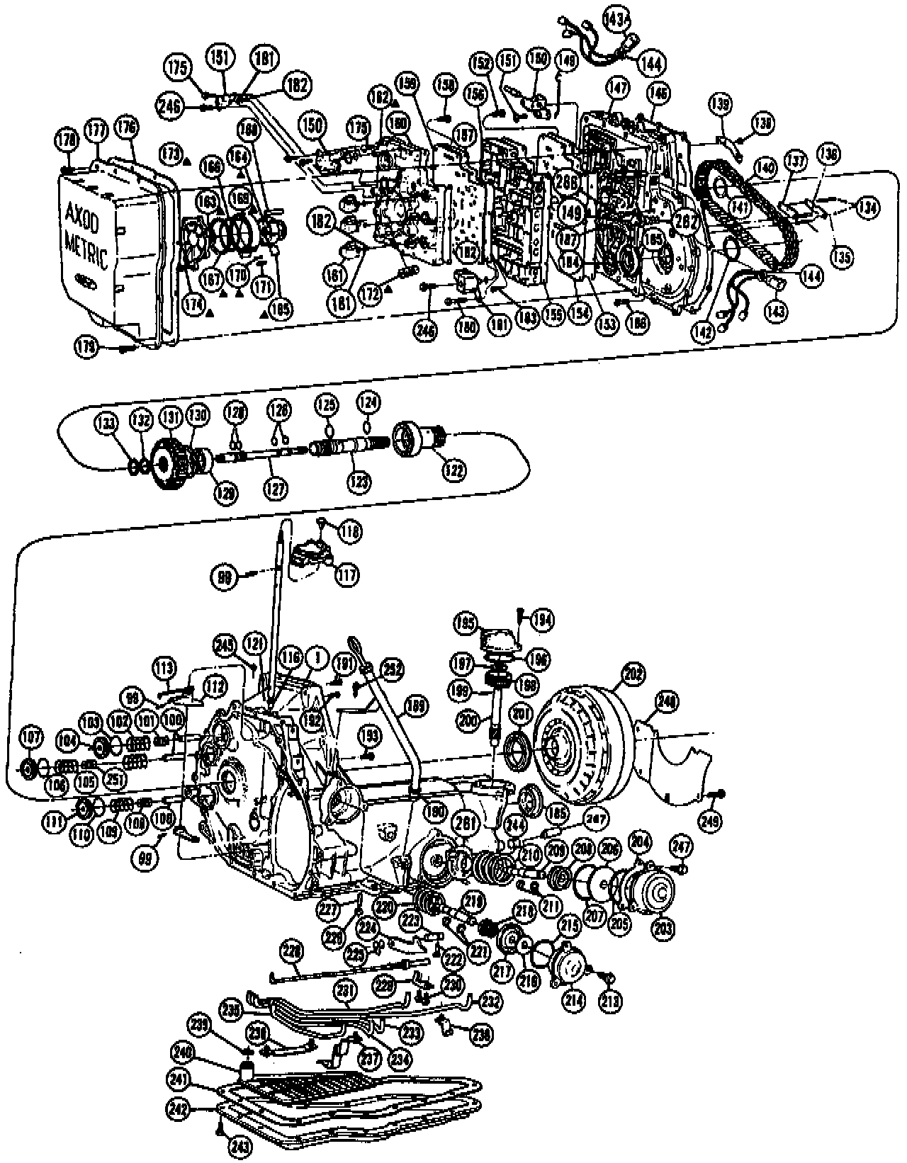
Exploded View Of AXOD-E Transaxle Assembly (Part 1 Of 6):




Exploded View Of AXOD-E Transaxle Assembly (Part 2 Of 6):




Exploded View Of AXOD-E Transaxle Assembly (Part 3 Of 6):




Exploded View Of AXOD-E Transaxle Assembly (Part 4 Of 6):




Exploded View Of AXOD-E Transaxle Assembly (Part 5 Of 6):




Exploded View Of AXOD-E Transaxle Assembly (Part 6 Of 6):






NOTE: Refer to the Exploded View Of AXOD-E Transaxle Assembly images, during disassembly procedure.

1. Install. torque converter handles T81P-7902-C or equivalent, then remove converter from transaxle.

CAUTION: Use caution not to drop converter.

2. Mount transaxle on suitable holding fixture, then turn in vertical position.
3. Remove shipping plug and drain fluid, then return transaxle to horizontal position.
4. Remove two speedometer cover bolts and cover, then remove and discard seal.
5. Lift governor and speedometer drive gear assembly and bearing out of case.

NOTE: Bearing sits on top of speedometer gear.

6. Remove three overdrive servo cover attaching bolts, cover, piston assembly, and spring. Discard O-ring seal on cover.

NOTE: Piston assembly and spring may remain in cover.

7. Remove three low-intermediate servo cover attaching bolts, cover, piston assembly, and spring. Remove and discard gasket.

CAUTION: Servo cover is under spring tension, use caution when removing. Piston assembly and spring may remain in cover.

8. Remove RH output shaft seal as follows.

NOTE: Output shaft seal is a two piece construction, an outer metal protector and inner rubber seal.

Output Shaft Seal Removal:






a. Install shaft seal protector D80L-625-A or D80L-630-3 or equivalent into output shaft opening.
b. Screw output shaft seal remover T74P-6700-A or equivalent into metal seal protector.
c. Tighten screw on end of tool until metal seal protector is removed.
d. Remove metal seal protector from tool, then install tool into seal.
e. Tighten screw on end of tool until seal is removed.
9. Remove two neutral safety (selector) switch attaching bolts, then the switch assembly.
10. Remove fluid level dipstick tube attaching bolt, then pull tube from case.

Chain Cover Attaching Bolts Removal:






11. Remove chain cover attaching bolts from inside torque converter housing.
12. Remove converter oil seal using puller tool No. T88T-7120-A and slide hammer tool No. T50T-100A or equivalents.
13. Remove 12 pump and valve body cover (upper reservoir) attaching bolts, then the cover and gasket. Discard gasket.
14. Disconnect pressure switches and solenoid electrical connectors.

CAUTION: Use caution not to pull on wire.

15. Remove bulkhead electrical connector and wiring from chain cover by compressing tabs on both sides of connector from inside of chain cover.

CAUTION: Use caution not to pull on wire.

Placing Manual Linkage In Low Detent Position:






16. Using a suitable wrench, rotate manual shaft clockwise to position manual linkage in low dent, valve positioned all the way in.

Oil Pump And Valve Body Bolt Removal:






17. Remove 22 oil pump and valve body assembly attaching bolts, noting length and location of bolts.

NOTE: Do not remove the two bolts that attach the oil pump and valve body assembly together. Also, do not remove oil pump cover attaching bolts.

18. Rotate valve body clockwise and remove manual link from manual valve.
19. Disconnect manual valve link from detent lever, then remove pump and valve body assembly.
20. Pull oil pump driveshaft out of case, then remove and discard four Teflon seals from pump shaft.
21. Rotate Transaxle in vertical position, then remove and discard output shaft circlip.
22. Remove LH output shaft seal as follows:
a. Screw output shaft seal remover T74P-670A or equivalent into metal seal protector.
b. Tighten screw on end of tool until metal seal protector is removed.
c. Remove metal seal protector from tool, then install tool into seal.
d. Tighten screw on end of tool until seal is removed.
23. Remove turbine speed sensor.

Chain Cover Bolt Removal:






24. Remove chain cover attaching bolts, noting length and location.
25. Remove chain cover, then mark accumulator springs to ensure they are installed in their correct position during assembly.
26. Remove accumulator springs, then the chain cover gasket. Discard cover gasket.

No. 1 And No. 3 Thrust Washers Removal:






27. Remove No. 1 and No. 3 thrust washers from chain cover.
28. Remove both sprockets and chain as an assembly.
29. Remove input shaft sprocket cast iron sealing ring.
30. Remove No. 2 thrust washer from drive sprocket support and No. 4 thrust washer from driven sprocket support.

NOTE: No. 4 thrust washer may remain on sprocket.

31. Inspect drive sprocket support bearing for damage. Replace as required.
32. Remove and discard lockpin and two roll pins from manual shaft using lockpin remover D81P-35O4-N or equivalent.

CAUTION: Use caution not to damage any machined surface.

33. Slide manual linkage shaft out of case, then pry seal out of case.
34. Remove driven sprocket support assembly, then five Teflon seals from support.

NOTE: It may be necessary to back out reverse clutch anchor bolt to facilitate support removal.

35. Remove No. 5 selective thrust washer. Thrust washer may remain on sprocket support assembly.
36. Remove No. 8 selective thrust washer and No. 9 needle bearing from bottom of cylinder using a wire hook.

NOTE: Thrust washer and needle bearing may remain on driven sprocket support assembly when it is removed.

37. Remove plastic overdrive band retainer, then the overdrive band.

Front Sun And Shell Assembly Removal:






38. Install hooked end of clutch pack tool No. T86P-70389-A or equivalent into one of the six lube holes in front sun and shell assembly. Position notched block over edge of assembly and tighten handle, then lift assembly from case.
39. Remove seventeen oil pan cover attaching bolt then the cover and gasket. Discard gasket.
40. Remove oil pan magnet.
41. Remove reverse apply lube/oil filter bracket attaching bolt and bracket.
42. Remove oil filter screen and two rings. Discard rings.
43. Remove tube bracket attaching bolts, then the tube brackets.

NOTE: For complete transaxle disassembly, the reverse apply tube should be removed prior to removing the reverse clutch. The rear lube tube should also be removed and rear lube tube seal replaced whenever the differential is removed.

Lube Tube Removal:






44. If necessary, remove lube tubes as shown in the Lube Tube Removal image. Tubes are held in position with Loctite.
45. Remove two park rod abutment bolts, then the park rod by lifting rod to clear abutment and lower from case.
46. Using locknut pin removal tool No. T78P-3504-N or equivalent, remove park pawl shaft locator pin.
47. Remove park pawl shaft using a suitable magnet, then the park pawl and return spring.
48. Loosen reverse clutch anchor pin nut, then remove Allen head bolt.
49. Rotate transaxle to the horizontal position.

Clutch Pack Assembly Removal:






50. Install hook portion of clutch pack tool No. T86P-70389-A or equivalent on inner diameter of reverse clutch cylinder. Grasp outer diameter of cylinder with fingertips and slide clutch assembly out of case.
51. Rotate transaxle to the vertical position, then holding the front planetary shaft, lift out both front and rear planetary assembly.
52. Lift out low-intermediate drum and sun gear assembly.
53. Remove low-intermediate band.
54. Remove final drive gear assembly snap ring from case using a screwdriver inserted through side of case.
55. Lift out final drive assembly using output shaft.
56. Remove final drive ring gear from case, then No. 18 thrust washer and No. 19 needle bearing.

NOTE: No. 18 thrust washer may remain on final drive assembly next to governor drive.

57. Remove and discard rear lube tube seal using rear tube seal installer tool No. T91P-76O85-A or equivalent.

NOTE: Seal should be replace whenever differential is removed from case.