Air Bag Control Module: Service and Repair
RemovalWARNING: THE ELECTRICAL CIRCUIT NECESSARY FOR SYSTEM DEPLOYMENT IS POWERED DIRECTLY FROM THE BATTERY AND BACKUP POWER SUPPLY. TO AVOID ACCIDENTAL DEPLOYMENT AND POSSIBLE PERSONAL INJURY, THE BATTERY GROUND CABLE AND BACKUP POWER SUPPLY MUST BE DISCONNECTED PRIOR TO SERVICING OR REPLACING ANY SYSTEM COMPONENTS.
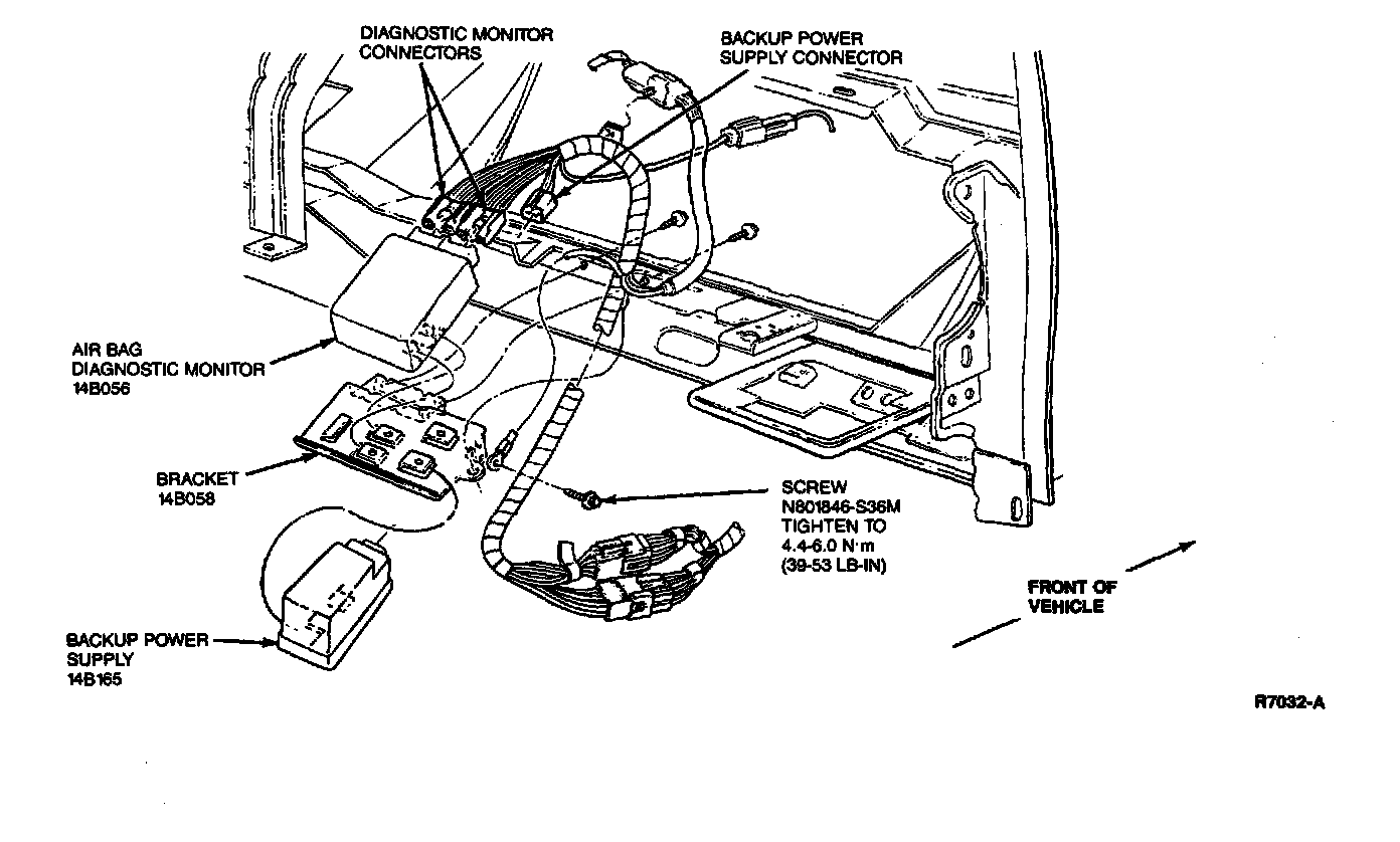
1. Disconnect battery ground cable backup power supply.
2. Remove two screws retaining steering column opening cover to instrument panel and remove cover.
3. Remove four bolts retaining bolster and remove bolster.
4. Disconnect two diagnostic monitor (blue) electrical wiring connectors.
5. Disconnect backup power supply (blue) connector.
6. Remove two screws retaining diagnostic monitor and bracket assembly to instrument panel brace and remove assembly.
7. Depress tabs retaining diagnostic monitor assembly to bracket.
8. Depress tabs retaining backup power supply to bracket and remove.
Installation
1. Position diagnostic monitor to bracket and install.
2. Install backup power supply to bracket.
3. Position diagnostic monitor and bracket on instrument panel and install two retaining screws.
4. Connect electrical wiring connector to the diagnostic monitor assembly. Connect backup power supply connector.
5. Position bolster on instrument panel and install four retaining bolts. Tighten bolts to 7-11 Nm (5-8 lb-ft).
6. Position steering column opening cover on instrument panel making sure clips are installed in retaining holes. Install two retaining screws.
7. Connect battery ground cable and backup power supply.
8. Verify air bag indicator.