Operation CHARM: Car repair manuals for everyone.
Manuals through 2025 now available!

Our trusted friends have launched a new website named LEMON, which has newer manuals. It also contains all the CHARM manuals.

LEMON is the spiritual successor to CHARM, I recommend you try it!

Link: lemon-manuals.la or lemon-manuals.org.ua

(Some people have issue connecting. LEMON is investigating. For now, use Firefox or change your DNS server)

Or, hide this message: temporarily or permanently

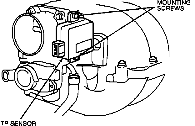
Manual Transaxle

1. Disconnect the electrical connector from the throttle position switch.
2. Using a volt-ohmmeter, connect the volt-ohmmeter to the IDL and E terminals on the throttle position switch.

Throttle Position (TP) Sensor:





3. Insert a 0.40 mm (0.0160 inch) feeler gauge between the throttle stop screw and the stop lever.

Throttle Position (TP) Sensor (Manual Transaxle):





4. Loosen the throttle position switch mounting screws.
5. Rotate the throttle position switch clockwise approximately 30 degrees, then rotate counterclockwise until continuity exists.
6. Replace the 0.40 mm (0.0160 inch) feeler gauge with a 0.70 mm (0.0270 inch) feeler gauge and insert it between the throttle stop screw and the stop lever.
7. Verify that continuity no longer exists.
8. TIGHTEN the throttle position switch mounting screws while making sure not to move the throttle position switch.

Throttle Position Sensor:





9. Open the throttle plate to wide open throttle position several times, recheck the adjustment on the throttle position switch.