Operation CHARM: Car repair manuals for everyone.
Manuals through 2025 now available!

Our trusted friends have launched a new website named LEMON, which has newer manuals. It also contains all the CHARM manuals.

LEMON is the spiritual successor to CHARM, I recommend you try it!

Link: lemon-manuals.la or lemon-manuals.org.ua

(Some people have issue connecting. LEMON is investigating. For now, use Firefox or change your DNS server)

Or, hide this message: temporarily or permanently

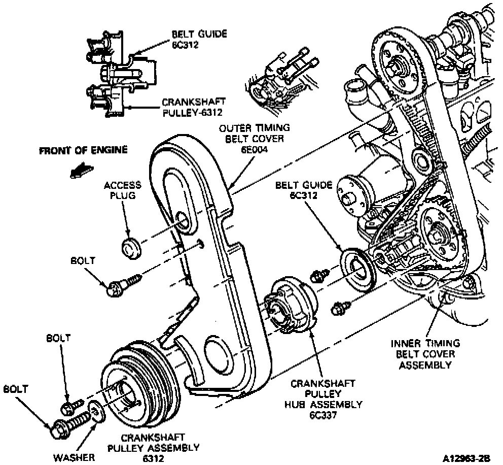
Timing Belt: Service and Repair

Timing Pointer Locations:






Checking Timing

An access plug is provided in the cam drive belt cover so that camshaft timing can be checked without removal of the cover or any other parts.
1. Remove the access plug from the cam drive belt cover.
2. Set the crankshaft to Top Dead Center (TDC) on No.1 cylinder by aligning the O mark on the belt cover with the O mark on the crankshaft pulley.

CAUTION: ALWAYS turn the engine in the direction of NORMAL ROTATION. Backward rotation may cause the timing belt to jump time, due to the arrangement of the belt tensioner.

3. Look through the access hole in the belt cover to ensure the timing mark on the cam drive sprocket aligns with the pointer on the inner belt cover.
4. Install the belt cover access plug.


Camshaft Timing/Timing Belt Installation Tools Required:
Camshaft Belt Tensioner Tool
Crankshaft Hall Effect Sensor Positioner

Removal and Installation
1. Remove Air Conditioning (A/C) belt, if equipped.
2. Remove power steering belt.
3. Remove water pump pulley.
4. Remove crankshaft pulley.






5. Remove timing belt outer cover retaining bolt and cover.






6. Loosen the belt tensioner adjustment screw, position the Camshaft Belt Tensioner Tool or equivalent, as shown on the tension spring rollpin and release the belt tensioner. Tighten the adjustment screw to hold the tensioner in released position.
7. Remove the bolts holding the timing sensor in place and pull the sensor assembly free of the dowel pin.
8. Remove the crankshaft pulley, hub and belt guide.
9. Remove the drive belt and inspect it for wear or damage. If the belt is damaged, replace it.
10. Position the crankshaft sprocket to align with the Top Dead Center (TDC) mark, and the camshaft sprocket to align with the camshaft timing pointer.
11. Install the timing belt over the crankshaft sprocket and then COUNTERCLOCKWISE over the auxiliary and camshaft sprockets. Align the belt fore-and-aft on the sprockets.

NOTE: The spring cannot be used to set belt tension.

12. Loosen the tensioner adjustment bolt to allow the tensioner to move against the belt. If the spring does not have enough tension to move the roller against the belt (the belt hangs loose), it may be necessary to manually push the roller against the belt and tighten the bolt.

NOTE: To ensure the belt does not jump time during rotation in Step 13, remove one spark plug from each cylinder.

13. ROTATE crankshaft two complete turns in direction of NORMAL ROTATION to remove the slack from the belt. To prevent rotation of crankshaft have a helper hold the crankshaft pulley. With a torque wrench turn camsprocket COUNTERCLOCKWISE until torque reads 54 N.m (40 lb-ft). While holding the torque wrench tighten tensioner adjustment to 40-55 N.m (30-41 lb-ft) and pivot bolts 20-30 N.m (14-22 lb-ft). Check the alignment of the timing mark.
14. Install the crankshaft belt guide.
15. Install the timing sensor onto the dowel pin and tighten the two longer bolts to 20-30 N.m (14-22 lb-ft).

Align the timing sensor as follows:
16. ROTATE the crankshaft 45 degrees (1/4 turn) COUNTERCLOCKWISE and install the crankshaft pulley and hub assembly. Tighten the bolt to 155-205 Nm (114-151 lb-ft).

Timing Sensor Alignment:






17. ROTATE the crankshaft 90 degrees (1/2 turn) CLOCKWISE so that the vane of the crankshaft pulley engages with the Crankshaft Hall Effect Sensor Positioner or equivalent. Tighten the two shorter sensor bolts to 20-30 N.m (14-22 lb-ft).
18. ROTATE the crankshaft 90 degrees (1/2 turn) COUNTERCLOCKWISE and remove the sensor positioner.
19. ROTATE the crankshaft 90 degrees (1/2 turn) CLOCKWISE and measure the outer vane to sensor air gap. The air gap must be 0.458-0.996 mm (0.018-0.039 inch).






20. Install the timing belt outer cover and the spark plugs.
21. Install water pump pulley.
22. Install crankshaft pulley.
23. Install power steering and A/C belts.
24. Start engine. Check ignition timing.