Operation CHARM: Car repair manuals for everyone.
Manuals through 2025 now available!

Our trusted friends have launched a new website named LEMON, which has newer manuals. It also contains all the CHARM manuals.

LEMON is the spiritual successor to CHARM, I recommend you try it!

Link: lemon-manuals.la or lemon-manuals.org.ua

(Some people have issue connecting. LEMON is investigating. For now, use Firefox or change your DNS server)

Or, hide this message: temporarily or permanently

Air Flow Meter/Sensor: Service and Repair

REMOVAL

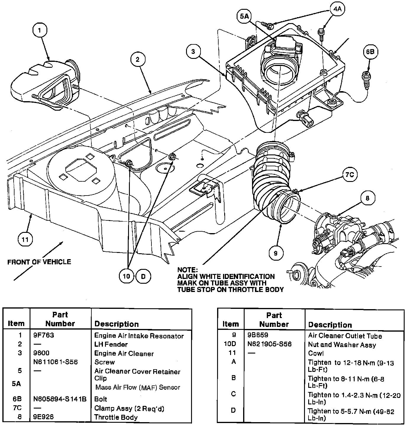
Air Induction System:





1. Loosen retaining clamps and remove the air cleaner outlet tubes.
2. Disconnect the Mass Air Flow (MAF) sensor electrical connector.
3. Remove the sensor mounting screws.
4. Remove the MAF sensor assembly.



INSTALLATION


1. Position the MAF sensor.
2. Install the attaching screws. Tighten the screws to 6-9 ft lb (8-12 Nm).
3. Connect the sensor electrical connector.
4. Install the air cleaner outlet tubes and tighten retaining clamps.