Operation CHARM: Car repair manuals for everyone.
Manuals through 2025 now available!

Our trusted friends have launched a new website named LEMON, which has newer manuals. It also contains all the CHARM manuals.

LEMON is the spiritual successor to CHARM, I recommend you try it!

Link: lemon-manuals.la or lemon-manuals.org.ua

(Some people have issue connecting. LEMON is investigating. For now, use Firefox or change your DNS server)

Or, hide this message: temporarily or permanently

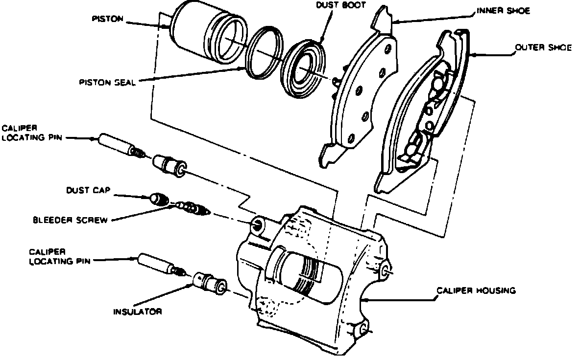
Disassembly and Assembly

Fig. 1 Front Pin Sliding Disc Brake Caliper:




Fig. 2 Front Pin Sliding Disc Brake Caliper:





DISASSEMBLY

1. Remove caliper assembly from vehicle as described under Removal/Installation.
2. Position fiber block and shop towels between caliper piston and caliper housing, then apply compressed air to caliper brake line fitting bore to force piston from caliper.
3. Remove dust boot from caliper assembly, Figs. 1 and 2.
4. Remove piston seal from cylinder and discard.

INSPECTION

1. Check piston for scratches, scoring or damage. Replace, if necessary.
2. Check caliper bore for scratches, scoring or corrosion. Light scratches or slight corrosion can be polished out using crocus cloth.
3. Check that bleeder screw and bleeder screw bore hole in caliper are fully open.
4. Check caliper bushings for corrosion and dust boot retaining ring for damage or tension loss. Replace parts as necessary.



ASSEMBLY

1. Lubricate piston seal with clean brake fluid, then install seal in caliper bore. Ensure seal is firmly seated in groove.
2. Install dust boot in outer groove of caliper bore, Figs. 1 and 2.
3. Coat piston with clean brake fluid and install piston in caliper bore. Spread dust boot over piston as it is installed. Seat dust boot in piston groove.
4. Install caliper assembly as described under Removal/Installation.