Operation CHARM: Car repair manuals for everyone.
Manuals through 2025 now available!

Our trusted friends have launched a new website named LEMON, which has newer manuals. It also contains all the CHARM manuals.

LEMON is the spiritual successor to CHARM, I recommend you try it!

Link: lemon-manuals.la or lemon-manuals.org.ua

(Some people have issue connecting. LEMON is investigating. For now, use Firefox or change your DNS server)

Or, hide this message: temporarily or permanently

Heater Core Case: Service and Repair




HEATER CASE ASSEMBLY

Figure 16:




Figure 13:




Figure 12:







Removal

1. Disconnect battery ground cable.

2. Drain coolant from radiator into a clean container.

3. Disconnect heater hoses from heater core. Plug heater core tubes or blow any coolant from heater core with lower air pressure.

4. Remove instrument panel, refer to Service and Repair

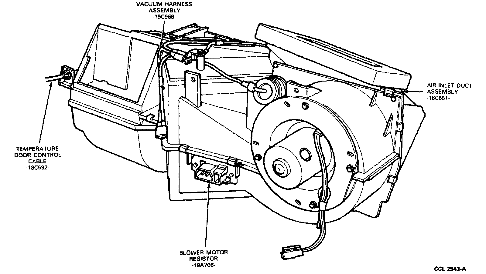
5. Disconnect wire harness connector from blower motor resistor.

6. Remove one screw attaching bottom of heater case to dash panel (Fig.16).

7. Remove instrument panel brace from cowl top panel.

8. Remove two nuts attaching heater case to dash panel in the engine compartment (Fig.13).

9. Loosen sound insulation from cowl top panel in area around air inlet opening.

10. Remove two screws attaching support bracket and brace to cowl top panel (Fig.12). Pull heater case away from dash panel.


Installation

1. Position heater case assembly on dash panel and cowl panel air inlet opening. Install two screws attaching support bracket and brace to cowl top panel (Fig.12).

2. In engine compartment, install two nuts attaching heater case to dash panel.

3. Position sound insulation around air inlet duct on cowl top panel.

4. Install instrument panel, refer to Service and Repair

5. Install one screw attaching bottom of heater case assembly to dash panel (Fig.12).

6. Connect heater hoses to heater core.

7. Fill radiator to correct level with removed coolant or the specified mixture of coolant and water.

8. Connect battery ground cable.

9. Check for proper system operation.