Operation CHARM: Car repair manuals for everyone.
Manuals through 2025 now available!

Our trusted friends have launched a new website named LEMON, which has newer manuals. It also contains all the CHARM manuals.

LEMON is the spiritual successor to CHARM, I recommend you try it!

Link: lemon-manuals.la or lemon-manuals.org.ua

(Some people have issue connecting. LEMON is investigating. For now, use Firefox or change your DNS server)

Or, hide this message: temporarily or permanently

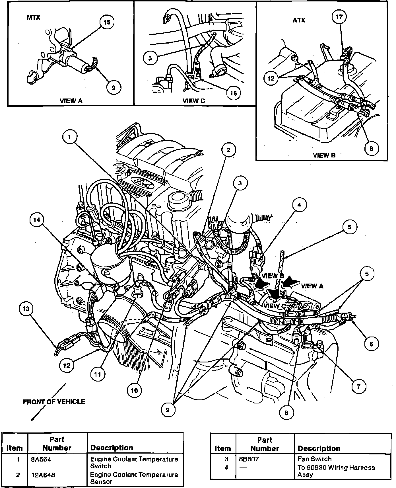
Coolant Temperature Sensor/Switch (For Computer): Service and Repair





REMOVAL


Component Location:





1. Locate Engine Coolant Temperature (ECT) sensor located on back of the cylinder head.
2. Disconnect the electrical connector from sensor.
3. Remove sensor by unscrewing counterclockwise.



INSTALLATION

1. Apply teflon tape to the threads of the new sensor prior to installation.
2. Install the ECT sensor into the cylinder head.
3. Tighten the sensor to 11-17 ft lb (16-24 Nm).
4. Connect the electrical connector to sensor.