Operation CHARM: Car repair manuals for everyone.
Manuals through 2025 now available!

Our trusted friends have launched a new website named LEMON, which has newer manuals. It also contains all the CHARM manuals.

LEMON is the spiritual successor to CHARM, I recommend you try it!

Link: lemon-manuals.la or lemon-manuals.org.ua

(Some people have issue connecting. LEMON is investigating. For now, use Firefox or change your DNS server)

Or, hide this message: temporarily or permanently

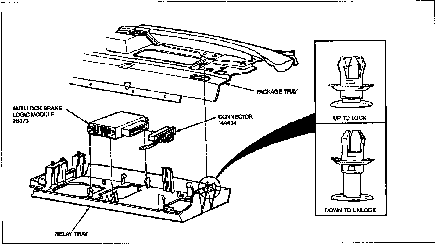
Electronic Brake Control Module: Service and Repair







Removal
1. Lower relay tray in luggage compartment to expose electronic control module by pulling down on pin.
2. Pull back on two plastic tabs and remove electronic controller from relay tray.
3. Loosen retaining bolt and disconnect 32-pin electrical connector from electronic controller.

Installation
1. Connect 32-pin electrical connector to control unit. Tighten connector retaining bolt to 3.2-5.4 Nm (28-48 lb-in).
2. Slide one side of electronic controller under two tabs and push straight down to install electronic controller onto tray.
3. Position relay tray to package tray and lock in position by pushing up pin.