Operation CHARM: Car repair manuals for everyone.
Manuals through 2025 now available!

Our trusted friends have launched a new website named LEMON, which has newer manuals. It also contains all the CHARM manuals.

LEMON is the spiritual successor to CHARM, I recommend you try it!

Link: lemon-manuals.la or lemon-manuals.org.ua

(Some people have issue connecting. LEMON is investigating. For now, use Firefox or change your DNS server)

Or, hide this message: temporarily or permanently

Timing Belt: Service and Repair


REMOVAL

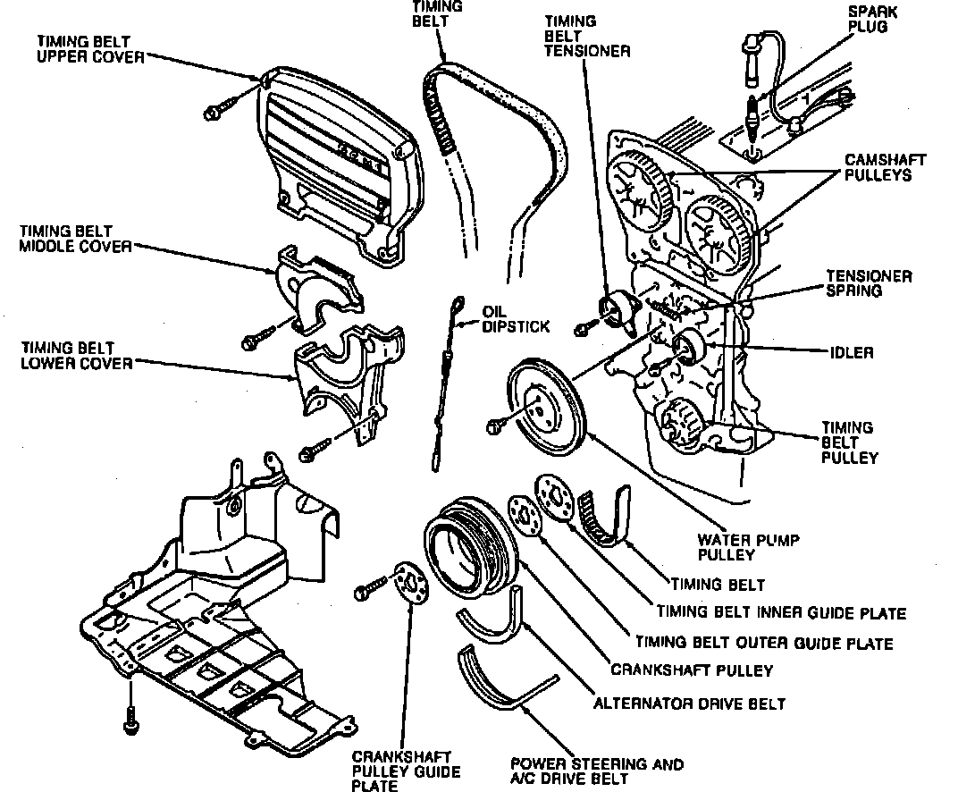
Exploded View Of Timing Belt Assembly:





1. Remove upper timing belt cover and gasket.
2. Loosen water pump pulley attaching bolts, then remove water pump and alternator accessory drive belt.
3. Remove water pump pulley, then raise and support vehicle.
4. Remove right wheel, then righthand upper and lower splash shields.
5. Remove A/C and power steering accessory drive belts.

Aligning Crankshaft Pulley Timing Marks:





6. Remove crankshaft pulley, crankshaft pulley guide plate and timing belt outer and inner guide plates.
7. Remove timing belt middle and lower covers along with gaskets.

Camshaft Pulley Timing Marks:





8. Rotate crankshaft and align timing marks located on camshaft pulleys and seal plate.
9. If timing belt is to be reused, mark an arrow on timing belt to indicate its rotational direction for installation reference.
10. Loosen timing belt tensioner and remove belt.

INSTALLATION
1. Temporarily secure timing belt tensioner in far left position with spring fully extended, then tighten lock bolt.

Aligning Crankshaft Pulley Timing Marks:





2. Ensure that timing marks on timing belt pulley and engine block are aligned.

Camshaft Pulley Timing Marks:





3. Ensure timing marks on camshaft pulleys and seal plate are aligned.
4. Install timing belt.
5. Loosen tensioner lock bolt, then using a suitable prying tool, position timing belt tensioner so that timing belt is taut, tighten lock bolt.
6. Turn crankshaft pulley two turns clockwise and align timing belt pulley mark with mark on engine block.
7. Ensure camshaft pulley marks are aligned with seal plate marks. If marks are not aligned, remove belt and repeat procedure.

Aligning Timing Belt Pulley With Tension Set Mark:





8. Turn crankshaft pulley 1 and 5/6 turns clockwise and align timing belt pulley mark with tension set mark (approximately 10 o'clock position) as shown.
9. Apply tension to timing belt tensioner and install tensioner lock bolt. Torque lock bolt to 37-52 Nm (27-38 ft lb).
10. Turn crankshaft 2 and 1/6 turns clockwise and check that timing marks are aligned.
11. Measure timing belt deflection by applying 98 Newtons (22 lb) of pressure on belt between camshaft pulleys. Deflection should be within 9-11 mm (0.35-0.45 in). If deflection is not within specification, loosen tensioner lock bolt and adjust tensioner as necessary.
12. Turn crankshaft two turns clockwise and ensure all timing marks are aligned. If timing marks are not aligned, repeat procedure beginning at step 4.
13. Install timing belt lower and middle covers along with gaskets.
14. Install timing belt inner and outer guide plates, crankshaft pulley and crankshaft pulley guide plate. Torque crankshaft pulley bolts to 12-17 Nm (109-152 in lb).
15. Install A/C and power steering accessory drive belt.
16. Install righthand upper and righthand lower splash shields. Tighten the bolts to 7.8-11 Nm (69-95 in lb).
17. Install water pump pulley, then alternator and water pump pulley accessory drive belt. Tighten water pump pulley to 7.8-11 Nm (69-95 in lb).
18. Install right wheel, then lower vehicle.
19. Install timing belt upper cover and gasket. Torque bolts to 7.8-11 Nm (69-95 in lb).