Operation CHARM: Car repair manuals for everyone.
Manuals through 2025 now available!

Our trusted friends have launched a new website named LEMON, which has newer manuals. It also contains all the CHARM manuals.

LEMON is the spiritual successor to CHARM, I recommend you try it!

Link: lemon-manuals.la or lemon-manuals.org.ua

(Some people have issue connecting. LEMON is investigating. For now, use Firefox or change your DNS server)

Or, hide this message: temporarily or permanently

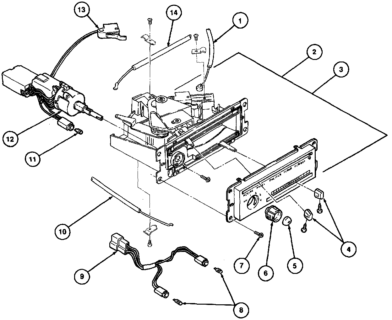
Control Assembly: Locations





1 Function Control Cable
2 Climate Control Assembly(Vehicles Without A/C)
3 Climate Control Assembly (Vehicles With A/C)
4 Lever knobs (2)
5 A/C Switch knob (Vehicles With A/C)
6 Blower Motor Switch knob (Vehicles With A/C)
7 Climate Control Assembly Screw
8 Climate Control Assembly Illumination Miniature Bulb
9 Illumination Miniature Bulb Socket and Wiring
10 Temperature Control Cable
11 A/C Indicator Miniature Bulb
12 Blower Motor Switch (With A/C Switch and A/C Indicator Lamp) (Vehicles With A/C)
13 Defrost Switch
14 RECIRC/Fresh Air Control Cable