Operation CHARM: Car repair manuals for everyone.
Manuals through 2025 now available!

Our trusted friends have launched a new website named LEMON, which has newer manuals. It also contains all the CHARM manuals.

LEMON is the spiritual successor to CHARM, I recommend you try it!

Link: lemon-manuals.la or lemon-manuals.org.ua

(Some people have issue connecting. LEMON is investigating. For now, use Firefox or change your DNS server)

Or, hide this message: temporarily or permanently

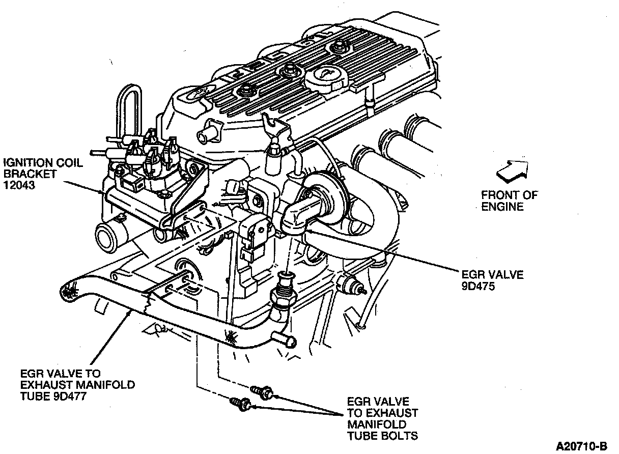
EGR Tube: Service and Repair

EGR Valve Manifold Tube:




Rear view of engine.

EGR Tube:




Front view of engine.


REMOVAL
^ Loosen the EGR valve to exhaust manifold tube nut at the EGR valve.
^ While holding the EGR valve tube to manifold connector with a wrench, loosen the EGR valve to exhaust manifold tube nut.
^ Disconnect the EGR pressure valve sensor hose.
^ Remove the two ERG valve to exhaust manifold tube bolts from the ignition coil bracket.
^ Remove the EGR valve to exhaust manifold tube

INSTALLATION
^ To install, reverse the removal procedure.