Distributor: Service and Repair
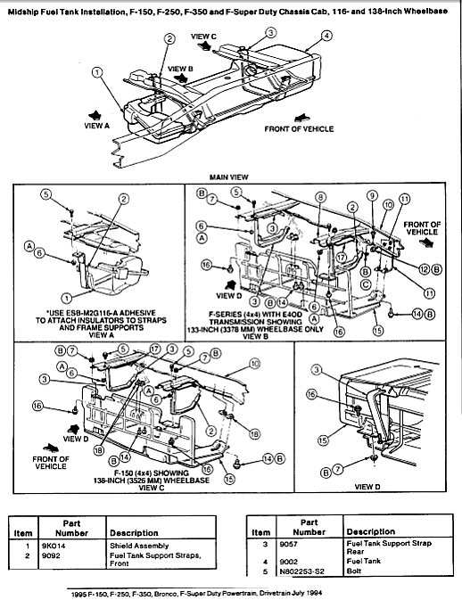
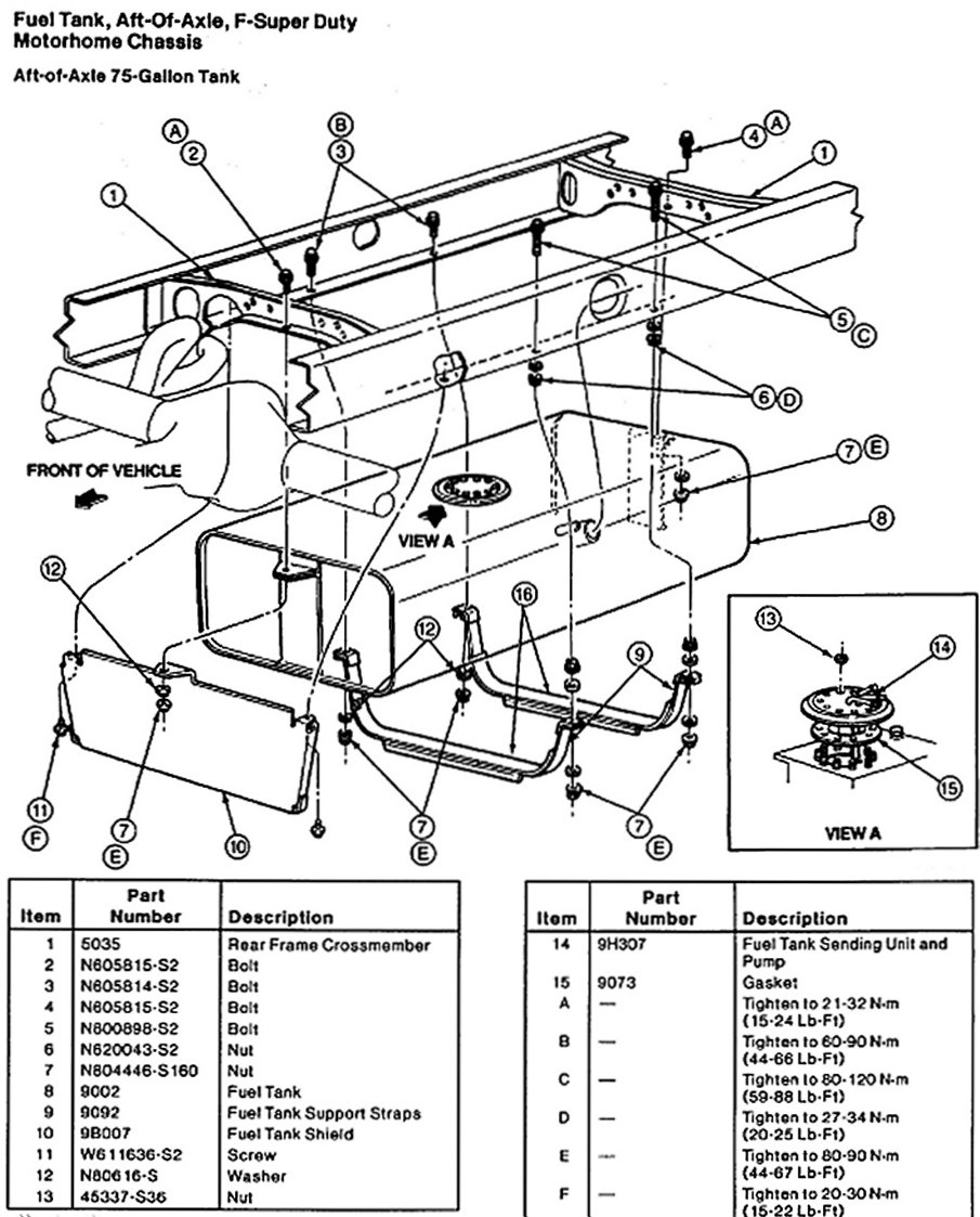
Fuel Tank, Steel Midship, F-15-,F250, F-350 and F-Superduty
NOTE: As there are different midship fuel tanks (9002) which are removed and installed essentially the same way, follow steps and refer to appropriate illustrations for details.
REMOVAL and INSTALLATION
CAUTION: Care must be taken when installing the fuel tank to make sure the fuel lines do not become kinked.
1. Raise the rear of the vehicle.
2. Disconnect the battery ground cable.
NOTE: When the battery is disconnected and reconnected, some abnormal drive symptoms may occur while the powertrain control module relearns its adaptive strategy. The vehicle may need to be driven 10 miles or more to relearn the strategy.
3. Drain both fuel tank on dual-tank vehicles.
4. If equipped with skid plate, remove fasteners and remove skid plate assembly.
5. Loosen clamps and disconnect fuel tank filler pipe (9034) and overflow hose at fuel tank.
6. Position suitable jack under fuel tank.
7. Remove nuts and bolts and lower fuel tank support straps (9092). If necessary, turn fuel tank support strap approximately 30 degrees and remove.
8. Lower fuel tank enough to gain access to fuel connections.
9. Disconnect electrical connector from fuel tank sending unit and pump.
10. Disconnect fuel vapor hose(s) from port valve(s). If equipped, remove vent hose from clip on frame (5005).
11. Disconnect fuel supply and return lines.
12. Remove fuel tank from vehicle.
For installation, follow removal procedures in reverse order. Refer to the above illustration for tightening specifications.