Operation CHARM: Car repair manuals for everyone.
Manuals through 2025 now available!

Our trusted friends have launched a new website named LEMON, which has newer manuals. It also contains all the CHARM manuals.

LEMON is the spiritual successor to CHARM, I recommend you try it!

Link: lemon-manuals.la or lemon-manuals.org.ua

(Some people have issue connecting. LEMON is investigating. For now, use Firefox or change your DNS server)

Or, hide this message: temporarily or permanently

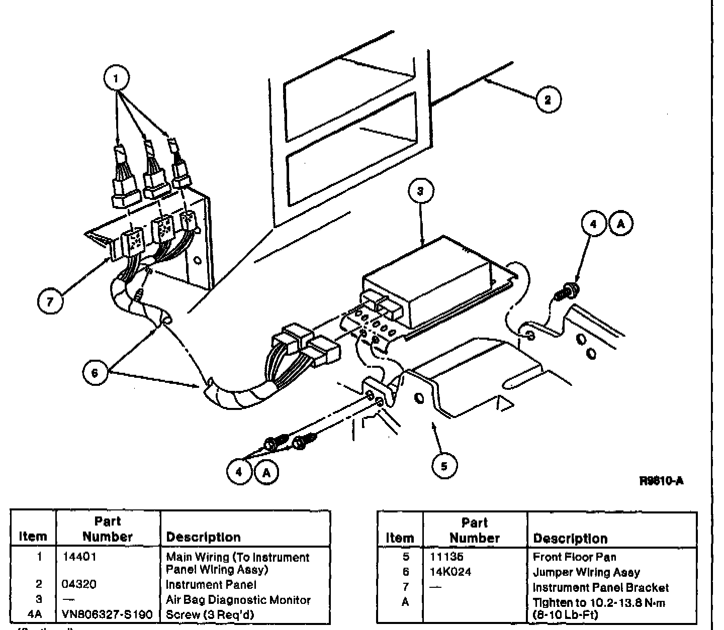
Air Bag Control Module: Service and Repair


WARNING: THE ELECTRICAL CIRCUIT NECESSARY FOR SYSTEM DEPLOYMENT IS POWERED DIRECTLY FROM THE BATTERY TO AVOID ACCIDENTAL DEPLOYMENT AND POSSIBLE PERSONAL INJURY, THE POSITIVE BATTERY CABLE MUST BE DISCONNECTED PRIOR TO SERVICING OR REPLACING ANY SYSTEM COMPONENTS.






REMOVAL
1. Disconnect battery ground cable.
2. Disconnect positive battery cable.
3. Remove radio chassis.

Note: Air bag diagnostic monitor is the blue box with two connectors mounted below the climate control head.

4. Disconnect air bag diagnostic monitor electrical wiring connectors.
5. Remove screws retaining air bag diagnostic monitor and bracket to instrument panel brace and remove air bag diagnostic monitor and bracket.

Installation
1. Position air bag diagnostic monitor and bracket on instrument panel and install retaining screws. Tighten to 10.2-13.8 N.m (8-10 lb-ft).
2. Connect electrical wiring connectors to air bag diagnostic monitor.
3. Install radio chassis.
4. Reconnect positive battery cable.
5. Reconnect battery ground cable.
6. Prove out the air bag system.