Operation CHARM: Car repair manuals for everyone.
Manuals through 2025 now available!

Our trusted friends have launched a new website named LEMON, which has newer manuals. It also contains all the CHARM manuals.

LEMON is the spiritual successor to CHARM, I recommend you try it!

Link: lemon-manuals.la or lemon-manuals.org.ua

(Some people have issue connecting. LEMON is investigating. For now, use Firefox or change your DNS server)

Or, hide this message: temporarily or permanently

Power Window Motor: Service and Repair


Window Regulator Electric Drive






Front Door

Removal

1. Raise the front door window glass (21410) to the full-up position, if possible. If the front door window glass cannot be raised and is in a partially down position, it must be supported so that it will not fall into the door well during window regulator electric drive removal.
2. Disconnect battery ground cable (14301).
















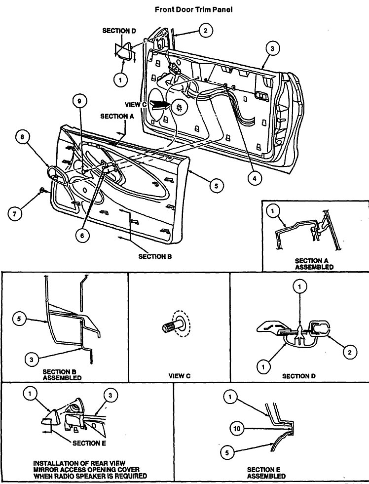
3. Remove front door trim panel (23942) and watershield.

Trim Panel Door






1 Remove window regulator handle (23342), if so equiped.
2. remove window regulator switch plate (14524) by carefully prying top of window regulator switch plate then rear of window regulator switch plate and then front of window regulator switch plate.
3. Remove screws from front window regulator wiring (14631) and remove front window regulator wiring.
4. Disconnect front window regulator wiring connector.

CAUTION: Prior to window regulator electric drive (23394) removal, ensure that the regulator arm is in a fixed position to prevent counterbalance spring unwind.






5. Remove the three window regulator electric drive mounting screws and disengage the window regulator electric drive assembly from the front door power window regulator (23200).

Installation

1. Install the window regulator electric drive. Tighten the retaining screws to 5.6-9.6 N.m (50-84 lb-in).
2. Connect the front window regulator wiring connector. Check window for proper operation.
3. Install the front door trim panel and watershield.
4. Connect battery ground cable.











5. Check the drain holes at the bottom of the front doors (20124) to ensure that each is open to prevent water buildup over the window regulator electric drive.