Operation CHARM: Car repair manuals for everyone.
Manuals through 2025 now available!

Our trusted friends have launched a new website named LEMON, which has newer manuals. It also contains all the CHARM manuals.

LEMON is the spiritual successor to CHARM, I recommend you try it!

Link: lemon-manuals.la or lemon-manuals.org.ua

(Some people have issue connecting. LEMON is investigating. For now, use Firefox or change your DNS server)

Or, hide this message: temporarily or permanently

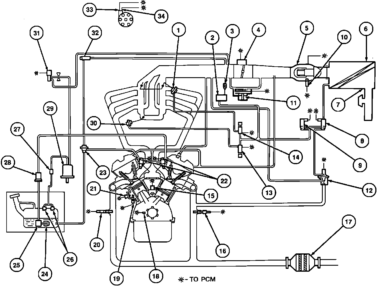
Emission Control Systems: Description and Operation

Emission Related Systems:




Component ID:






SUMMARY
Photochemical-smog is the main by-product of tailpipe emissions. It is produced when Hydrocarbons (HC) and Oxides of Nitrogen (NOx) are mixed and exposed to sunlight.

ELEMENTS OF PHOTOCHEMICAL SMOG
Hydrocarbons (HC)
A chemical compound made up of hydrogen and carbon. Hydrocarbons are mostly unburned and raw fuel (gasoline). Hydrocarbons are the only major automotive air pollutant coming from sources other than exhaust. While the majority of HCs are produced by fuel system evaporation (20%) and exhaust (60%), another source is oil and crankcase fumes/vapors.

Carbon Monoxide (CO)
This chemical compound of carbon and oxygen is an odorless, colorless, and poisonous gas. It results from incomplete combustion, due to an improper air/fuel mixture ratio or poorly tuned engine. CO primarily emanates from the tailpipe, but may also be present in blow-by gases.

Oxides of Nitrogen (NOx)
NOx is a chemical compound of nitrogen and oxygen, formed when combustion temperatures become excessively high. NOx is the major contributor to photochemical smog.

CRANKCASE EMISSION CONTROL
This was one of the first emission control systems. Rather than being vented to atmosphere, crankcase fumes are routed back through the intake system and reburned. Basic systems consist of necessary hoses and a Positive Crankcase Ventilation (PCV) valve to regulate fume flow through the system.

CATALYTIC CONVERTERS
Oxidation Catalytic (OC) converters converted HC and CO emissions into water vapor (H2O) and carbon dioxide (CO2). Three-Way Catalytic (TWC) converters control HC, CO and NOx by turning them into water, carbon dioxide and nitrogen.

EVAPORATIVE EMISSION CONTROL
Evaporative emission systems trap gasoline vapors that would otherwise escape to atmosphere. Vapors are vented from fuel tank to a carbon canister for storage. When the engine is running, vapors are purged from the canister and routed to the intake manifold. Fuel vapors are consumed during the combustion process.

EXHAUST GAS RECIRCULATION (EGR)
EGR systems control NOx by lowering peak combustion temperatures. This is accomplished by introducing measured quantities of exhaust gas into the induction system during certain operating modes. The incoming mixture is effectively diluted, resulting in reduced combustion chamber temperatures and lower NOx emissions.