Operation CHARM: Car repair manuals for everyone.
Manuals through 2025 now available!

Our trusted friends have launched a new website named LEMON, which has newer manuals. It also contains all the CHARM manuals.

LEMON is the spiritual successor to CHARM, I recommend you try it!

Link: lemon-manuals.la or lemon-manuals.org.ua

(Some people have issue connecting. LEMON is investigating. For now, use Firefox or change your DNS server)

Or, hide this message: temporarily or permanently

With Air Conditioning

CONTROL ASSEMBLY

Climate Control Assembly:






The manual A/C-heater control includes the following features:
^ A function selector knob which has positions: OFF, MAX-A/C, NORM-A/C, VENT FLOOR, MIX and DEFROST.
^ The position of the knob determines the manner in which the system will operate.
^ A temperature control knob manually sets the desired comfort temperature.
^ Fan control knob controls the volume of air movement.
^ Each position of the function selector knob and fan control knob is detented for positive engagement.
^ The fan control knob provides four manually-selected A/C blower motor speeds and may be operated in any position of the function selector knob to select the desired amount of airflow.

The control assembly consists of three main parts:
1. The function selector knob - a vacuum selector valve combined with an internal electrical switch.

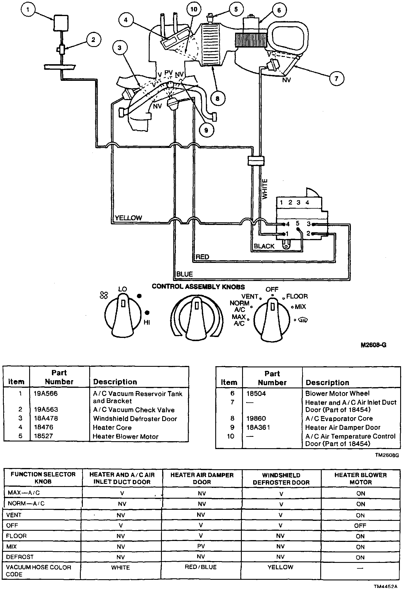
A/C System Schematic and Vacuum Control Chart:






a. The vacuum selector valve directs source vacuum to various vacuum control motors.
b. Two internal single.pole electrical switches are also controlled by the selector. The combination of these electrical switches controls the electrical supply to the A/C clutch and the heater blower motor switch.
2. A heater blower motor switch - an electrical switch that provides four speeds of A/C blower motor operation.
3. The temperature control knob - controls the position of the A/C electronic door actuator motor mounted on the A/C evaporator housing assembly.
a. The temperature control knob is electrically connected to the A/C air temperature control door by the A/C electronic door actuator motor.
b. Movement of the control knob from COOL to WARM causes a corresponding movement on the temperature blend door and determines the temperature that the system will maintain.