Operation CHARM: Car repair manuals for everyone.
Manuals through 2025 now available!

Our trusted friends have launched a new website named LEMON, which has newer manuals. It also contains all the CHARM manuals.

LEMON is the spiritual successor to CHARM, I recommend you try it!

Link: lemon-manuals.la or lemon-manuals.org.ua

(Some people have issue connecting. LEMON is investigating. For now, use Firefox or change your DNS server)

Or, hide this message: temporarily or permanently

With Automatic Temperature Control

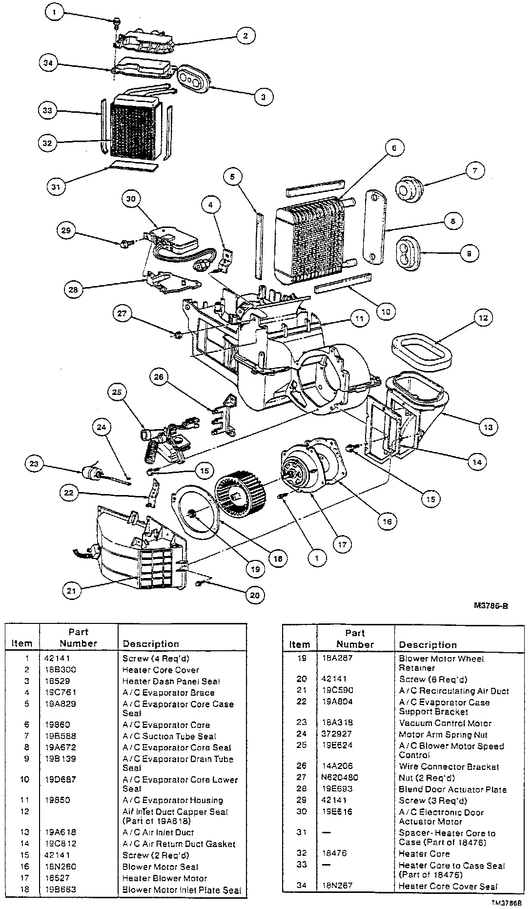
NOTE: Vehicles may be equipped with an aluminum or a copper brass heater core. Use replacement cores made of copper brass. Always identify the type of core being replaced because there is a difference in the heater core to heater case seals. Having the correct seal is essential to provide satisfactory heater system performance. Identification can be made by looking at one of the core tubes after a hose has been removed. An aluminum core will have a gray colored tube. A copper brass core will have a brass colored tube. If the core is copper brass, the seal removed with the old core can be used with the new copper brass replacement core, providing it is not damaged during removal. If the core is aluminum, a new seal for the copper brass replacement core will be required.

REMOVAL
1. Remove the instrument panel, refer to Body and Frame/Interior Trim/ Dash Board/Service and Repair/ Service and Repair
2. Remove the evaporator case assembly, please refer to Heating and Air Conditioning/Evaporator Case/Service and Repair/ Service and Repair

NOTE: Whenever the evaporator case is removed, it will be necessary to replace the suction accumulator/drier.

Fig 26 Vacuum Line Removal From Heater Core Seal:






3. Remove the vacuum source line from the heater core tube seal.

EATC Evaporator Housing Assembly - Disassembled View:






4. Remove the seal from the heater core tubes.

Electric Blend Door Actuator Attachment:






5. Remove the three screws retaining the blend door actuator to the evaporator case. Remove the actuator.

Heater Core Cover Removal And Installation:






6. Remove the four heater core access cover retaining screws, and remove the access cover and the seal from the evaporator case.
7. Lift the heater core and the seals from the evaporator case.