Operation CHARM: Car repair manuals for everyone.
Manuals through 2025 now available!

Our trusted friends have launched a new website named LEMON, which has newer manuals. It also contains all the CHARM manuals.

LEMON is the spiritual successor to CHARM, I recommend you try it!

Link: lemon-manuals.la or lemon-manuals.org.ua

(Some people have issue connecting. LEMON is investigating. For now, use Firefox or change your DNS server)

Or, hide this message: temporarily or permanently

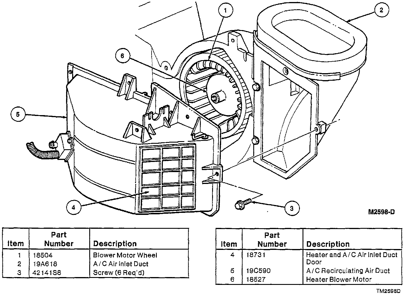
Fresh Air/Recirculation Control Box


REMOVAL
1. Open the glove compartment door and release the retainers, lowering the glove compartment door.
2. Remove the screw attaching recirculating duct support bracket to the cowl.

Recirculation Duct:






3. Remove the vacuum connection to the heater and A/C air inlet duct door vacuum control motor.
4. Remove the six screws attaching the A/C recirculating air duct to the A/C evaporator housing
5. Remove the A/C recirculating air duct from the A/C evaporator housing, lowering the A/C recirculating air duct from between the instrument panel and the A/C evaporator housing.

INSTALLATION
1. Install the A/C recirculating air duct to the A/C evaporator housing, lifting the A/C recirculating air duct between the instrument panel and the A/C evaporator housing.
2. Install the six screws retaining the A/C recirculating air duct to the A/C evaporator housing.
3. Install the vacuum connector to the heater and the A/C air inlet duct door vacuum control motor.
4. Install the screw attaching the support bracket to the cowl.
5. Close the glove compartment.