Operation CHARM: Car repair manuals for everyone.
Manuals through 2025 now available!

Our trusted friends have launched a new website named LEMON, which has newer manuals. It also contains all the CHARM manuals.

LEMON is the spiritual successor to CHARM, I recommend you try it!

Link: lemon-manuals.la or lemon-manuals.org.ua

(Some people have issue connecting. LEMON is investigating. For now, use Firefox or change your DNS server)

Or, hide this message: temporarily or permanently

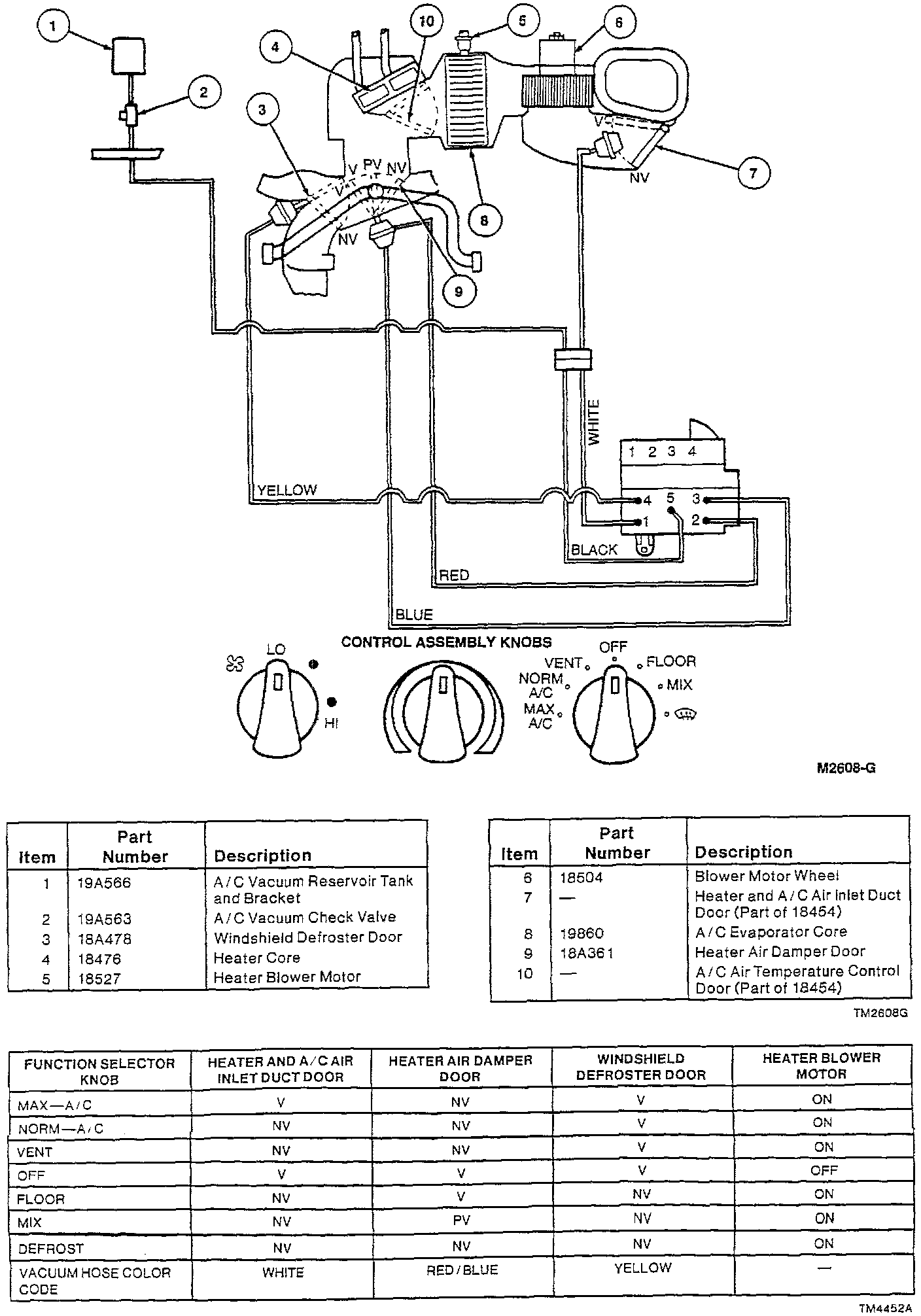
Vacuum System

To test the A/C-heater control system:
^ Start the engine and rotate the A/C damper door switch control knob slowly from one position to another
^ A brief hissing sound should be heard as the A/C damper door switch control knob is rotated, indicating that vacuum is available at the control assembly.
^ A continuous hiss at the control assembly indicates a major leak somewhere in the system. It does not necessarily indicate that the leak is at the control assembly.
^ Check for a kinked, pinched or disconnected vacuum supply hose if a momentary hiss cannot be heard when the A/C damper door switch control knob is rotated from one position to another.
^ Inspect the A/C vacuum check valve between the A/C intake manifold and the A/C vacuum reservoir tank and bracket to ensure it is working properly.
^ If a momentary hiss can be heard when the A/C damper door switch knob is rotated from one position to another, vacuum is available at the control assembly.
^ Cycle the A/C damper door switch control knob through each position with the A/C blower motor on HI and check the location(s) of the discharge air.

Airflow Schematic And Vacuum Control Chart:






^ The Airflow Schematic And Vacuum Control Chart shows the vacuum control motors applied for each position of the A/C damper door switch control knob along with a system airflow diagram.
^ The airflow diagram shows the position of each door when vacuum is applied and the no-vacuum position. Using this chart, airflow for each position of the control assembly can be determined.
^ If a vacuum control motor fails to operate, it will be easy to pinpoint, because the airflow will be incorrect.
^ If a vacuum control motor is inoperative, check the operation of the vacuum control motor with Rotunda Vacuum Tester 021-00014 or equivalent.
^ If the vacuum control motor operates properly, the vacuum hose is probably pinched, kinked, disconnected or has a hole in it.
^ If the vacuum system functions normally at idle but goes to defrost during acceleration, a small leak exists in the system.
^ The leak can be located by turning off the engine and using a gauge to check for vacuum delay while selectively blocking off vacuum hoses.

NOTE: If problem cannot be found go to Vacuum System Symptom Chart. Vacuum System Symptom Chart