Operation CHARM: Car repair manuals for everyone.
Manuals through 2025 now available!

Our trusted friends have launched a new website named LEMON, which has newer manuals. It also contains all the CHARM manuals.

LEMON is the spiritual successor to CHARM, I recommend you try it!

Link: lemon-manuals.la or lemon-manuals.org.ua

(Some people have issue connecting. LEMON is investigating. For now, use Firefox or change your DNS server)

Or, hide this message: temporarily or permanently

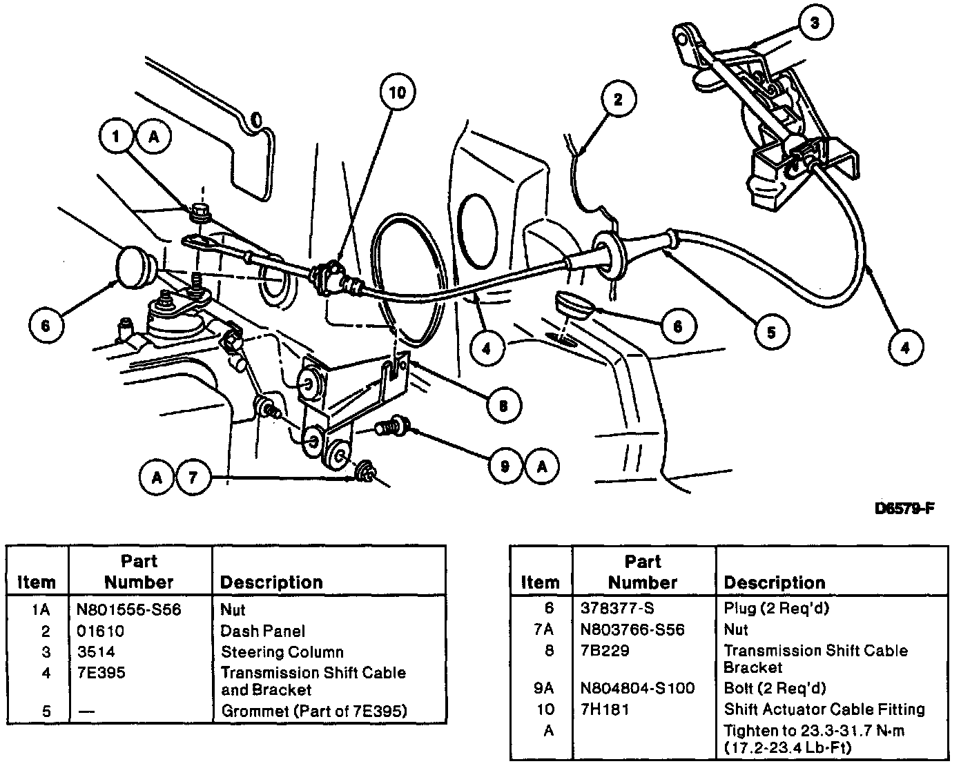
With Column Shift

NOTE: Whenever the transmission shift cable and bracket is removed from the cable retaining brackets for any reason, the cable must be replaced.

NOTE: Whenever a steering column, engine, or transaxle removal is required, do not remove the transmission shift cable and bracket from the retaining brackets. The bracket must be removed with the cable attached.

REMOVAL

Shift Cable And Bracket Assembly:






1. From under the instrument panel, remove the transmission shift cable and bracket from the steering column tube.
2. Remove the cable plastic terminal from the column selector lever pivot ball, using a screwdriver, by prying between the cable plastic terminal and the selector lever.
3. Remove the cable retaining clip and remove the transmission shift cable and bracket from the retaining bracket by carefully lifting the locking tab while pulling up on the fitting.
4. From the engine compartment, pry the cable grommet from the dash panel.
5. Remove the nut from the transaxle manual shift lever stud.
6. Remove the cable locking tab and carefully remove the transmission shift cable and bracket.
7. Remove the transmission shift cable and bracket from the cable retaining bracket on the transaxle and, from the engine compartment, pull the transmission shift cable and bracket through the dash panel opening.

INSTALLATION
1. From the engine compartment, feed the plastic terminal end of the cable through the opening in the dash panel.
2. Press the rubber boot on the transmission shift cable and bracket into the dash panel.
3. From the engine compartment, install the transmission shift cable and bracket into the cable retaining bracket on the transaxle and make sure the locking tab is in the proper location.
4. Place the transmission shift cable and bracket on the transaxle manual shift lever stud. Install the cable retaining nut loosely.
5. From the passenger compartment, install the cable-to-steering column retaining bracket onto the transmission shift cable and bracket and make sure the locking tab is in the proper location.
6. Install the transmission shift cable and bracket to the steering column with the two retaining screws. Tighten the retaining screws to 8-13 Nm (6-10 ft lb).
7. Snap the cable plastic terminal to the selector lever pivot ball on the steering column.
8. Adjust the transmission shift cable and bracket.