Operation CHARM: Car repair manuals for everyone.
Manuals through 2025 now available!

Our trusted friends have launched a new website named LEMON, which has newer manuals. It also contains all the CHARM manuals.

LEMON is the spiritual successor to CHARM, I recommend you try it!

Link: lemon-manuals.la or lemon-manuals.org.ua

(Some people have issue connecting. LEMON is investigating. For now, use Firefox or change your DNS server)

Or, hide this message: temporarily or permanently

Upper



This article has been updated by technical service bulletin (TSB) 94-10-10 dated 05/18/94.

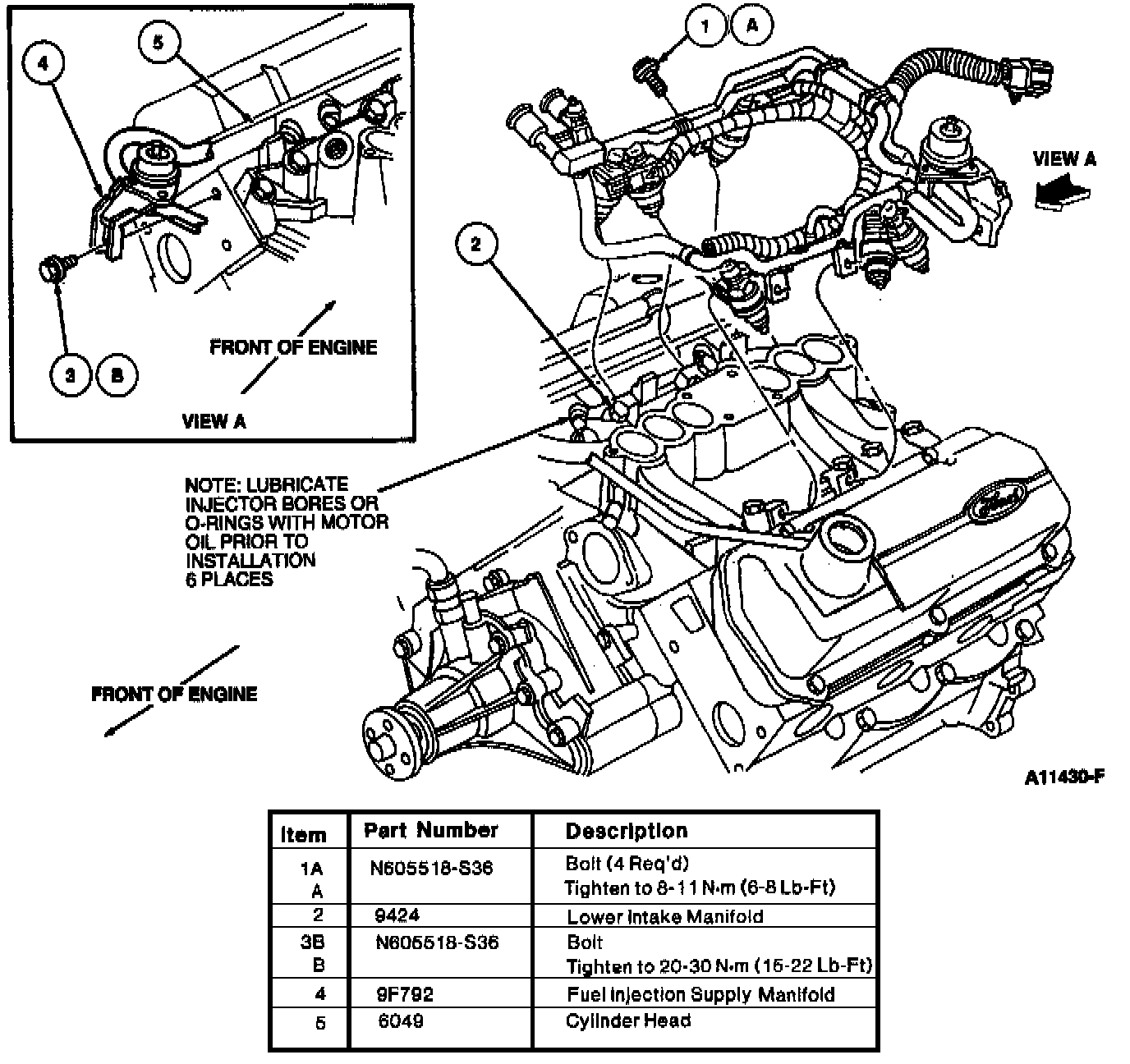
Upper Intake Manifold Removal

1. Drain engine cooling system.
2. Remove air cleaner outlet tube (9B659).
3. Disconnect accelerator cable (9A758) at throttle body (9E926). Disconnect speed control actuator (9A825), if equipped.
4. Disconnect the throttle valve control actuating cable (7F042).
5. Remove retaining bolts from accelerator cable bracket (9723) and position cables aside.
6. Disconnect upper radiator hose (8260) at water outlet connection gasket (8255).
7. Disconnect water bypass hose (8597) at intake manifold.
8. Disconnect vacuum lines at fuel injection supply manifold and intake manifold.
9. Disconnect necessary electrical connectors.
10. Remove drive belt.






11. Disconnect crankcase ventilation tubes (6758) located on upper intake manifold.
12. Remove generator brace.
13. Remove throttle body retaining nuts and remove throttle body.
14. Remove the EGR valve (EGR valve) (9D475) from the upper intake manifold.
15. Remove the retaining nut and remove wiring retainer bracket located at the LH front of the intake manifold and set aside with ignition wires.
16. Remove intake manifold upper gasket retaining bolts/studs and intake manifold.
17. Remove intake manifold upper gasket (9H486).

Upper Intake Manifold Installation

Note:
Use locating pins to secure position of intake manifold upper gasket between upper and lower intake manifolds.

1. Position intake manifold upper gasket and upper intake manifold on top of lower intake manifold.






2. Tighten in sequence in three (3) steps starting with the four center bolts to the following specifications:
Step 1 10 Nm (8 ft. lbs.)
Step 2 20 Nm (15 ft. lbs.)
Step 3 32 Nm (24 ft. lbs.)
3. Install EGR valve on intake manifold.
Tighten retaining nuts to 20-30 Nm (15-22 ft. lbs.).






4. Install throttle body.
Cross-tighten retaining nuts to 20-30 Nm (15-22 ft. lbs.).






5. Connect rear crankcase ventilation tube at positive crankcase ventilation valve and upper intake manifold.
6. If equipped with air conditioning, install A/C compressor support bracket.
Tighten retaining nut to 20-30 Nm (15-22 ft. lbs.).
7. Connect necessary electrical connectors.
8. Connect necessary vacuum hoses.
9. Connect heater water hose (18472) to hot water heater elbow connection (18599).
10. Position heater tube support bracket and tighten retaining nut to 20-30 Nm (15-22 ft. lbs.).
Tighten hose clamp at hot water heater elbow connection securely.
11. Connect heater water hose to the rear of the water bypass tube and tighten hose clamp.
12. Connect water bypass hose.
Tighten hose clamp securely.
13. Connect upper radiator hose.
Tighten hose clamp securely.
14. Connect fuel lines at fuel injection supply manifold.
15. Connect flexible fuel lines to steel lines.
16. Position accelerator cable bracket.
Install and tighten retaining bolts to 20-30 Nm (15-22 ft. lbs.).
17. Connect speed control actuator, if equipped.
18. Connect throttle valve control actuating cable.

CAUTION: This engine has aluminum cylinder heads and requires a special corrosion inhibiting coolant to avoid cooling system damage.

19. Fill cooling system with specified volume and type of coolant.
20. Start engine and check for coolant or fuel leaks.
21. Check and, if necessary, adjust engine idle speed. Adjust speed control.
22. Install engine air cleaner and air cleaner outlet tube.