Operation CHARM: Car repair manuals for everyone.
Manuals through 2025 now available!

Our trusted friends have launched a new website named LEMON, which has newer manuals. It also contains all the CHARM manuals.

LEMON is the spiritual successor to CHARM, I recommend you try it!

Link: lemon-manuals.la or lemon-manuals.org.ua

(Some people have issue connecting. LEMON is investigating. For now, use Firefox or change your DNS server)

Or, hide this message: temporarily or permanently

Evaporator Core: Service and Repair


NOTE: Whenever an evaporator core is replaced, it will be necessary to replace the suction accumulator/dryer.

1. Disconnect battery ground cable.
2. Drain coolant from radiator.
3. Discharge refrigerant from air conditioning system.
4. Working from inside engine compartment, disconnect heater hoses from heater core. Plug heater core tubes or blow any coolant from heater core with low pressure air.
5. Disconnect high pressure line and the accumulator/dryer inlet tubes from evaporator core at dash panel.
6. Cap refrigerant lines and evaporator core to prevent excess dirt and moisture from entering system.
7. Remove dash panel, refer to Instrument Panel, Gauges and Warning Indicators/Instrument Panel/Service and Repair/Dash Panel.
8. Disconnect wire harness connector from blower motor resistor.
9. Remove one screw attaching the bottom of evaporator case to dash panel.
10. Remove two nuts attaching evaporator case to dash panel in engine compartment.
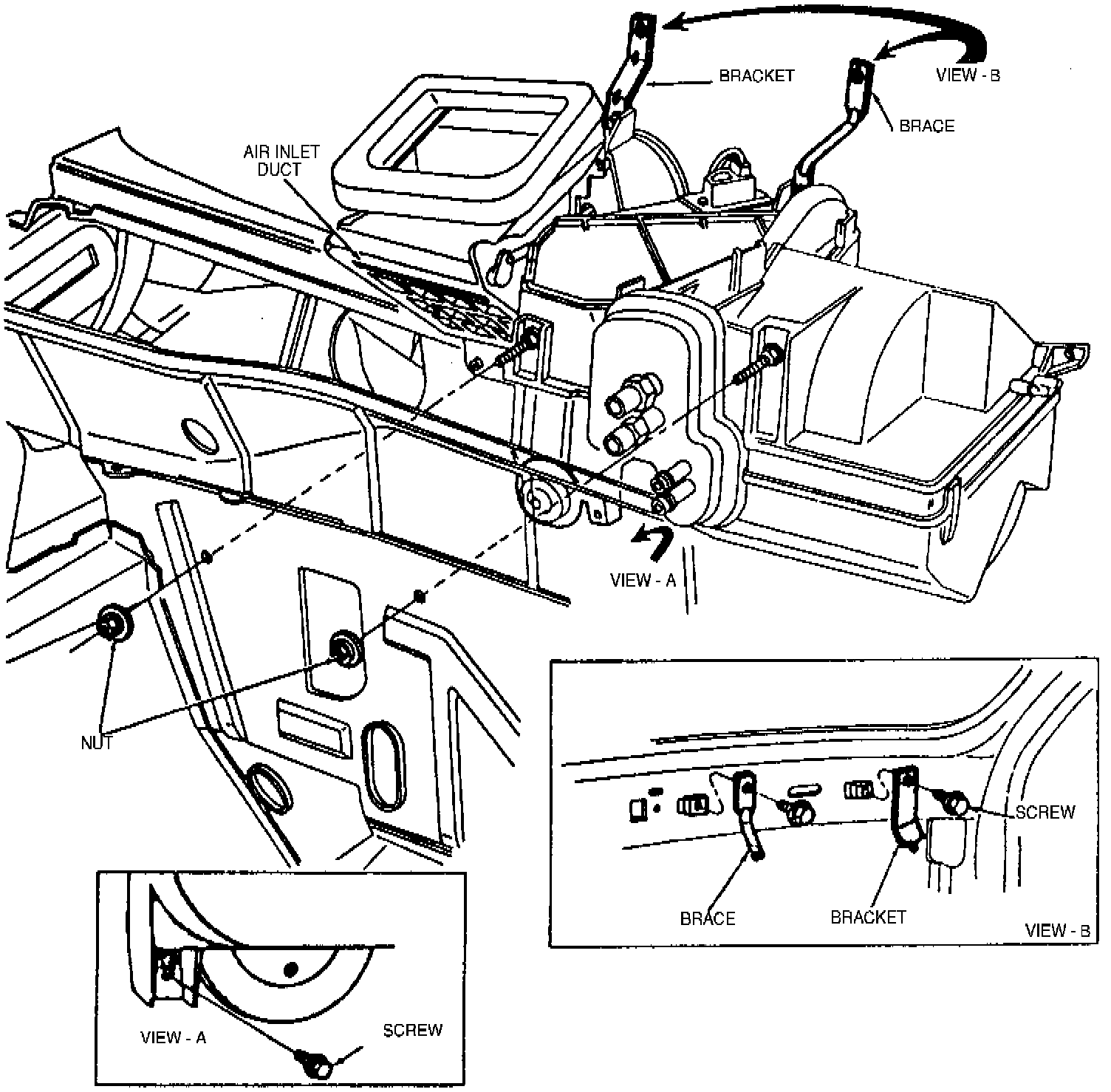
11. Loosen sound insulation from the cowl top panel in the area around air inlet opening.

Fig. 10 Evaporator case:





12. Remove two screws attaching support bracket and brace to cowl top panel, Fig. 10.
13. Remove air inlet duct from evaporator case (four screws).
14. Remove foam seal from evaporator core tubes.

Fig. 16 Locations For Drilling Holes:





15. Drill a 3/16 inch hole in both upright tabs on top of evaporator case, Fig. 11.

Fig. 14 Cutting Outline Locations. 1993-94:





Fig. 18 Evaporator Case Cover Removal:





16. Using a small saw blade, cut the top of evaporator case between two raised outlines, Figs. 12 and 13.
17. Remove two blower motor resistor retaining screws, then the blower motor resistor.

Fig. 14 Evaporator core removal:





18. Fold cutout cover back from case, Fig. 14.

19. Remove evaporator core.
20. Reverse procedure to install, noting the following:
a. Install caulking cord (rope sealer) part No. D9AZ-19560-A, or equivalent, to seal evaporator case against leakage along cut line.
b. Install a spring nut on each of the two upright tabs and with the two holes drilled in the front flange. Ensure hole in spring nut is aligned with the 3/16 inch holes drilled in the tab and flange. Install and tighten screw in each spring nut (through the hole in the tab or flange) to secure the cutout cover in the closed position.