Operation CHARM: Car repair manuals for everyone.
Manuals through 2025 now available!

Our trusted friends have launched a new website named LEMON, which has newer manuals. It also contains all the CHARM manuals.

LEMON is the spiritual successor to CHARM, I recommend you try it!

Link: lemon-manuals.la or lemon-manuals.org.ua

(Some people have issue connecting. LEMON is investigating. For now, use Firefox or change your DNS server)

Or, hide this message: temporarily or permanently

Testing Notes

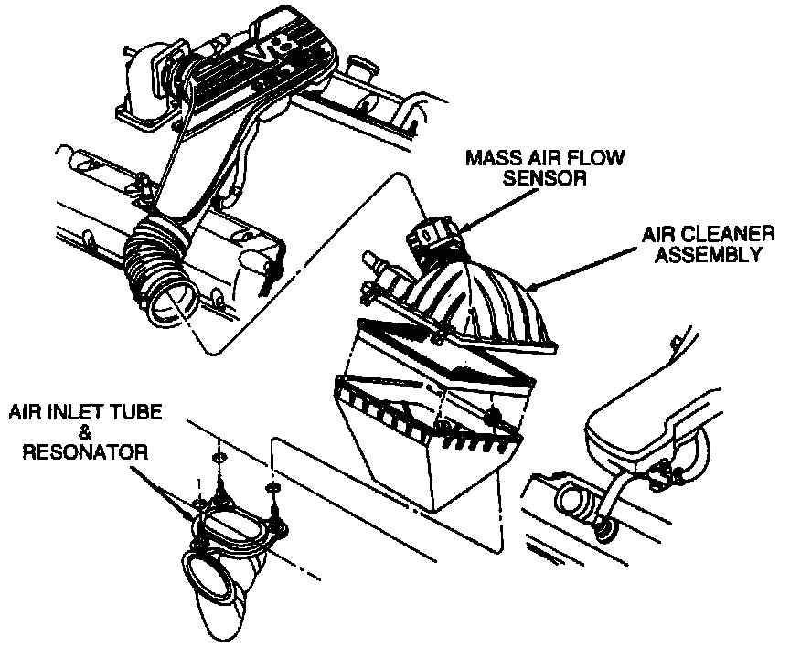
Air Intake And Throttle Body Components:






NOTE: You should enter this Pinpoint Test only when directed here.

REMEMBER: This Pinpoint Test is intended to diagnose the following:

- Throttle Body Assembly.

- Accelerator Cable-Linkage to Throttle Body.

- Air Cleaner Assembly (including air filter).

- Air Inlet Tube.

- Clean Air Tube (Hose) and Resonator.