Operation CHARM: Car repair manuals for everyone.
Manuals through 2025 now available!

Our trusted friends have launched a new website named LEMON, which has newer manuals. It also contains all the CHARM manuals.

LEMON is the spiritual successor to CHARM, I recommend you try it!

Link: lemon-manuals.la or lemon-manuals.org.ua

(Some people have issue connecting. LEMON is investigating. For now, use Firefox or change your DNS server)

Or, hide this message: temporarily or permanently

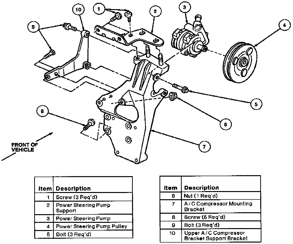
Compressor Bracket

SPECIAL SERVICE TOOL(S) REQUIRED
Steering Pump Pulley Remover T69L-10300-B
Steering Pump Pulley Replacer T65P-3A733-C

REMOVAL
1. Remove A/C compressor.
2. Lower vehicle.
3. Remove hoses from radiator coolant recovery reservoir







4. Remove two retaining screws and radiator coolant recovery reservoir from vehicle.
5. Remove nut retaining A/C manifold and tube assembly clamp to exhaust heat shield retaining bolt.







6. Remove four relaining bolts and exhaust manifold shield from vehicle.
7. Disconnect two wire harness electrical connectors from traction assist module.







8. Remove three bolts retaining traction assist module and position traction assist module to improve access to power steering pump pulley.
9. Disconnect power steering reservoir pump hose at power steering pump.
10. Using Steering Pump Pulley Remover T69L-10300-B, remove power steering pump pulley.
11. Disconnect power steering pressure hose from power steering pump.







12. Remove power steering pressure hose clamp retaining bolt.
13. Remove retaining bolts from power steering pump and remove power steering pump from A/C compressor mounting bracket.
14. Remove two retaining bolts and upper A/C compressor bracket support bracket from A/C compressor mounting bracket.
15. Remove the engine intake air resonator to improve access to front engine support bracket.
16. Install Three Bar Engine Support D88L-6000-A or equivalent to existing engine lifting eye to support engine during front engine support bracket removal.







17. Remove six retaining nuts and front engine support bracket from vehicle.
18. Remove three retaining bolts from power steering pump support.
19. Disconnect lower radiator hose from engine.
20. Remove five bolts and one nut retaining A/C compressor mounting bracket to engine.







21. Remove A/C compressor mounting bracket from vehicle with power steering pump support still positioned on upper front engine support mounting studs.

INSTALLATION
1. Install A/C compressor mounting bracket onto engine with power steering pump support bracket positioned on upper front engine support mounting studs and secure with five retaining bolts and one nut.
2. Install lower radiator hose to engine.
3. Install three retaining bolts to power steering pump support.
4. Install front engine support bracket and six retaining nuts. Tighten nuts to 77-103 N.m (66-76 Lb-Ft).
5. Remove Three Bar Engine Support D88L-6000-A or equivalent.
6. Install engine intake air resonator.
7. Install upper A/C compressor bracket support bracket and two retaining bolts to A/C compressor mounting bracket.
8. Install power steering pump and four retaining bolts.
9. Connect power steering pressure hose to power steering pump and install clamp retaining bolts.
10. Using Steering Pump Pulley Replacer T65P-3A733-C, install power steering pump pulley onto power steering pump.
11. Connect power steering reservoir pump hose at power steering pump.
12. Fill power steering system.
13. Install traction assist module and three retaining bolts.
14. Connect two wire harness electrical connectors to traction assist module.
15. Install exhaust manifold shield with four retaining bolts.
16. Install nut retaining A/C manifold and tube assembly clamp to exhaust heat shield retaining bolt.
17. Install radiator coolant recovery reservoir with two retaining screws and connect hoses. Tighten screws to 8-12 N.m (71-106 Lb/in).
18. Install A/C compressor.