Operation CHARM: Car repair manuals for everyone.
Manuals through 2025 now available!

Our trusted friends have launched a new website named LEMON, which has newer manuals. It also contains all the CHARM manuals.

LEMON is the spiritual successor to CHARM, I recommend you try it!

Link: lemon-manuals.la or lemon-manuals.org.ua

(Some people have issue connecting. LEMON is investigating. For now, use Firefox or change your DNS server)

Or, hide this message: temporarily or permanently

With Automatic Temperature Control


REMOVAL

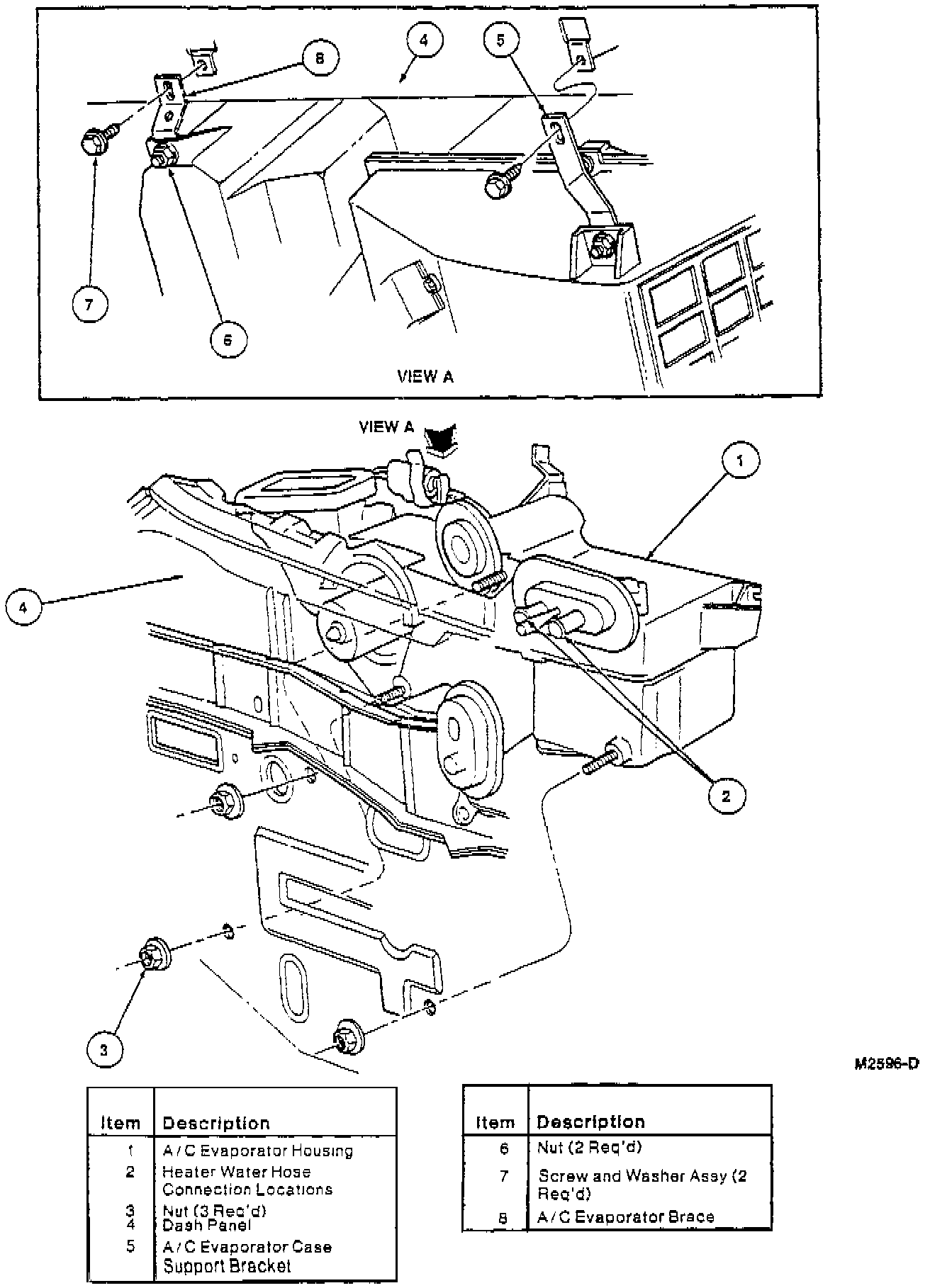
Heater And Evaporator Case Removal And Installation:






1. Disconnect the battery ground cable.
2. Drain the coolant from the radiator into a clean container.
3. Remove the instrument panel and gently pull it away from the RH side of dash panel, please refer to Body and Frame/Interior Trim/Dash Board/Service and Repair/ Service and Repair
4. Place a drain pan or suitable container under the heater hose connections at the dash panel.
5. Recover the refrigerant from the A/C system at the service access gauge port valve located on the suction line, please refer to Heating and Air Conditioning/Service and Repair/ Service and Repair
6. Disconnect the condenser to the evaporator tube and the suction accumulator/drier inlet tube from the A/C evaporator core at the dash panel. Cap the refrigerant lines and the A/C evaporator core tube to prevent the entrance of dirt and excess moisture.
7. Disconnect the heater water hoses from the heater core tubes and plug the heater water hoses with suitable 5/8 inch and 3/4 inch plugs. Cap the heater core tubes to prevent coolant loss from the heater core during removal of the A/C evaporator housing.
8. Disconnect the vacuum supply hose from the A/C vacuum check valve in the engine compartment.
9. Remove the screw holding the instrument panel shake brace to the A/C evaporator housing and remove the instrument panel shake brace.
10. Remove the two screws retaining the heater outlet floor duct and the rear seat air flow duct to the bottom of the A/C evaporator housing.
11. Remove the three nuts retaining the A/C evaporator housing to the dash panel in the engine compartment.
12. Remove the two screws retaining the support brackets to the cowl top panel. Carefully pull the heater core case away from the dash panel and remove the A/C evaporator housing from the vehicle.

INSTALLATION

Heater And Evaporator Housing Installation:






1. Carefully install the A/C evaporator housing in the vehicle, the heater core case to the dash panel, and install the two screws retaining the support brackets to the cowl top panel.
2. Install the three nuts retaining the heater core case to the dash panel in the engine compartment.
3. Install the two screws retaining the heater outlet floor duct and the rear seat air flow duct to the bottom of the A/C evaporator housing.
4. Install the the instrument panel shake brace and tighten the screw holding the instrument panel shake brace to the heater core case.
5. Connect the vacuum supply hose to the A/C vacuum check valve in the engine compartment.
6. Connect the heater water hoses to the heater core tubes.
7. Connect the condenser to the evaporator tube and the suction accumulator/drier inlet tube to the A/C evaporator core at the dash panel.
8. Evacuate, leak test, and charge the A/C system at the service access gauge port valve located on the suction line, please refer to Heating and Air Conditioning/Service and Repair/ Service and Repair
9. Install the instrument panel, please refer to Body and Frame/Interior Trim/Dash Board/Service and Repair/ Service and Repair
10. Fill and leak test the cooling system with the previously drained coolant or with the specified type and mixture of coolant according to specifications.
11. Connect the battery ground cable.

NOTE: On vehicles equipped with Electronic Engine Control (EEC), when the battery has been disconnected and reconnected, some abnormal drive symptoms may occur while the EEC processor relearns its adaptive strategy. The vehicle may need to be driven 10 miles or more to relearn the strategy.

12. Check operation of all components.
13. After service, check the coolant level in the radiator and in the radiator coolant recovery reservoir. Fill as required with the recommended coolant mixture.