Operation CHARM: Car repair manuals for everyone.
Manuals through 2025 now available!

Our trusted friends have launched a new website named LEMON, which has newer manuals. It also contains all the CHARM manuals.

LEMON is the spiritual successor to CHARM, I recommend you try it!

Link: lemon-manuals.la or lemon-manuals.org.ua

(Some people have issue connecting. LEMON is investigating. For now, use Firefox or change your DNS server)

Or, hide this message: temporarily or permanently

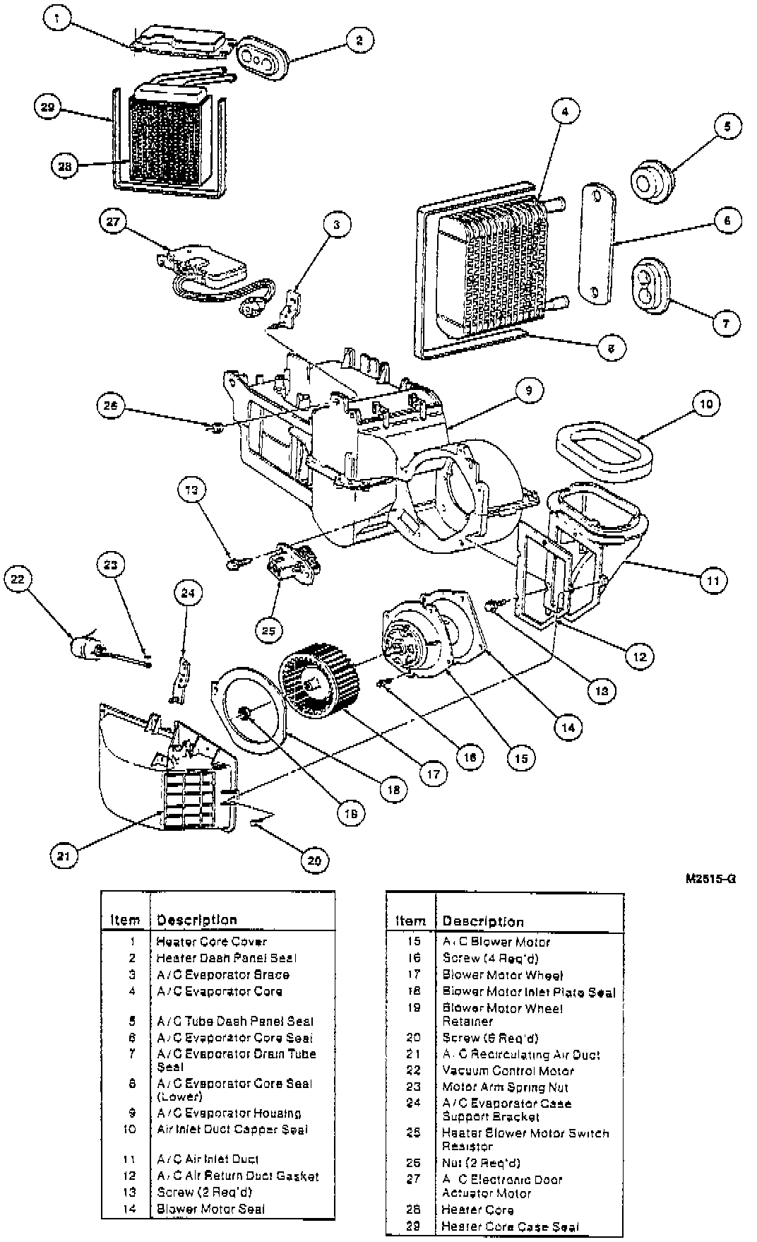
With Automatic Temperature Control

REMOVAL
1. Remove the instrument panel, refer to Body and Frame/Interior Trim/ Dash Board/Service and Repair/ Service and Repair
2. Remove the A/C evaporator housing assembly, please refer to Heating and Air Conditioning/Evaporator Case/Service and Repair/ Service and Repair

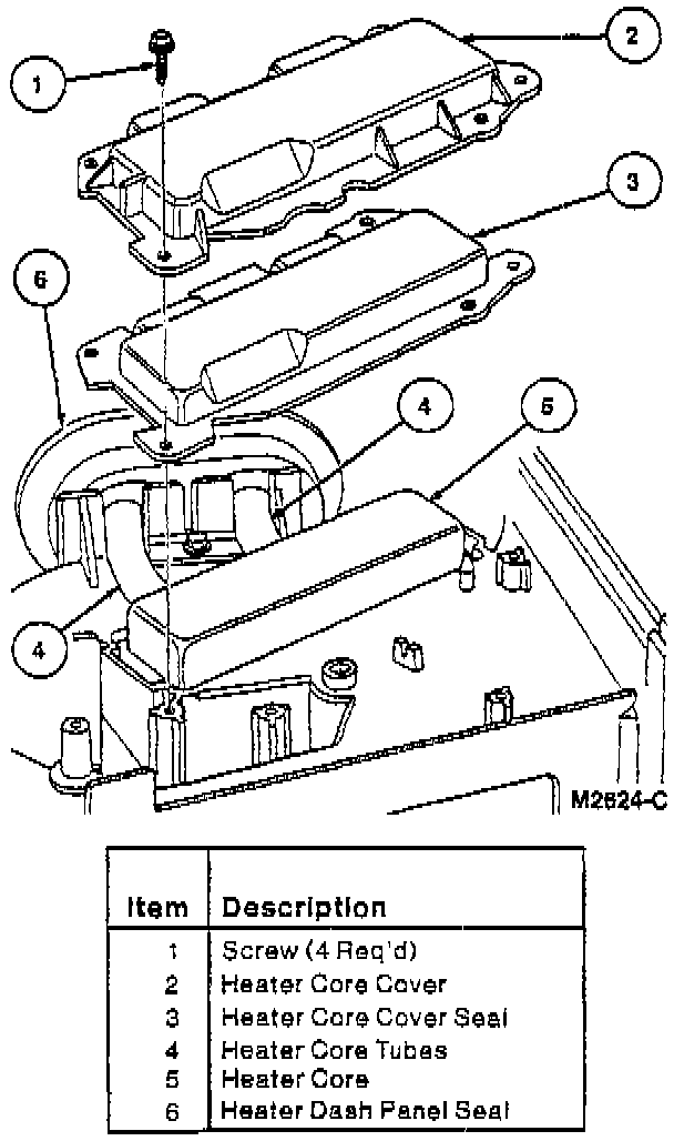
Fig 26 Vacuum Line Removal From Heater Core Seal:






3. Remove the vacuum source line from the heater dash panel seal.

Heater And Evaporator Case Removal And Installation:






4. Remove the seal from the heater core tubes.

A/C Electronic Door Actuator Motor:






5. Remove the A/C electronic door actuator motor to the A/C evaporator housing.

Heater Core Cover Removal And Installation:






6. Remove the four heater core cover retaining screws, and remove the heater core cover and seal from the A/C evaporator housing.
7. Lift the heater core and the heater core cover seals from the A/C evaporator housing.