Operation CHARM: Car repair manuals for everyone.
Manuals through 2025 now available!

Our trusted friends have launched a new website named LEMON, which has newer manuals. It also contains all the CHARM manuals.

LEMON is the spiritual successor to CHARM, I recommend you try it!

Link: lemon-manuals.la or lemon-manuals.org.ua

(Some people have issue connecting. LEMON is investigating. For now, use Firefox or change your DNS server)

Or, hide this message: temporarily or permanently

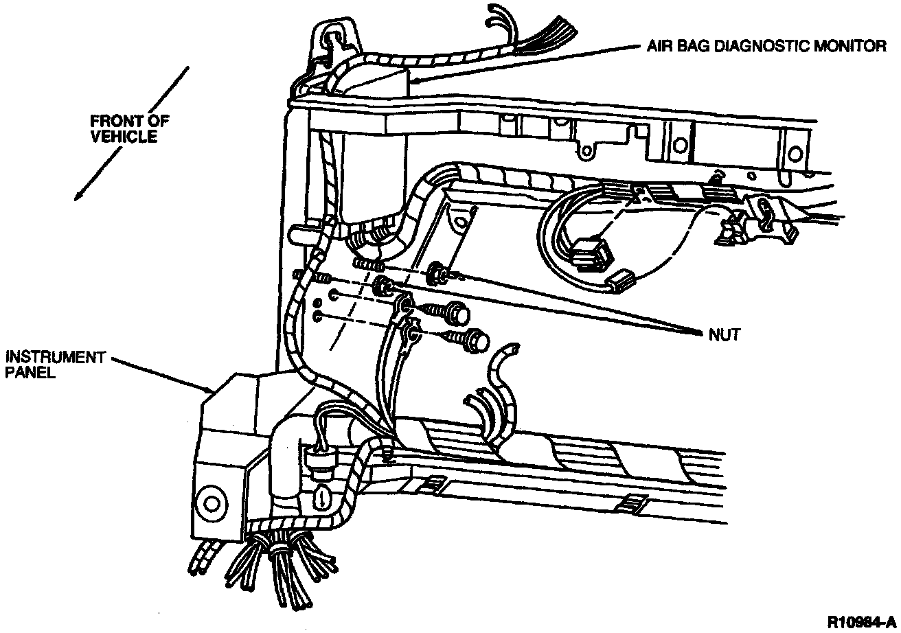
Air Bag Control Module: Service and Repair

REMOVAL

1. Record USER 1 and USER 2 preset radio frequencies.

2. Disconnect battery ground cable. Wait one minute for backup power supply energy to be depleted.

WARNING: The electrical circuit necessary for system deployment is powered directly from the battery. To avoid accidental deployment and possible personal injury, the battery ground cable must be disconnected prior to servicing or replacing any system components.

3. Open glove compartment.

4. Disconnect damping rod on RH side of glove compartment with a small screwdriver.

5. Pull LH side of glove compartment in and drop glove compartment towards floor.

6. Disconnect air bag diagnostic monitor electrical wiring connectors and position wiring to improve access to air bag diagnostic monitor retaining nuts.

7. Remove retaining nuts and air bag diagnostic monitor from vehicle.

INSTALLATION






1. Position air bag diagnostic monitor to mounting studs and install retaining nuts.

2. Connect electrical wiring connectors to the air bag diagnostic monitor.

3. Close glove compartment by pushing in on retaining tabs.

4. Reconnect dampening rod to glove compartment door.

5. Reconnect battery ground cable.

6. Prove out air bag system.

7. Reprogram USER 1 and USER 2 preset radio frequencies and set clock.