Operation CHARM: Car repair manuals for everyone.
Manuals through 2025 now available!

Our trusted friends have launched a new website named LEMON, which has newer manuals. It also contains all the CHARM manuals.

LEMON is the spiritual successor to CHARM, I recommend you try it!

Link: lemon-manuals.la or lemon-manuals.org.ua

(Some people have issue connecting. LEMON is investigating. For now, use Firefox or change your DNS server)

Or, hide this message: temporarily or permanently

Heater Core Case: Service and Repair

Removal




1. Disconnect battery ground cable.
2. Disconnect the heater hoses from the heater core tubes. Plug the ends of the heater hoses to prevent coolant loss.
3. Plug heater core tubes securely to prevent coolant leakage from heater core during plenum removal.
4. Remove three nuts located below the windshield wiper motor retaining the LH end of the plenum to the dash panel.
5. Remove one nut retaining the upper LH corner of the evaporator case to the dash panel.
6. Remove LH and RH lower instrument panel insulators.
7. Disconnect two vacuum supply hoses from vacuum source. Push grommet and vacuum supply hose into passenger compartment.
8. Remove all instrument panel retaining screws and pull the instrument panel back as far as possible without disconnecting any wire harnesses.
9. Loosen the RH door sill plate and remove the RH side cowl trim panel.
10. Remove cross body brace and disconnect wiring harness from temperature blend door actuator and disconnect the EATC sensor tube from the evaporator case connector.
11. Disconnect the vacuum jumper harness at the multiple vacuum connector near the floor air distribution duct.
12. Disconnect the white vacuum hose from the outside-recirculating door vacuum motor.
13. Remove two hush panels.
14. Remove one plastic push fastener retaining the floor air distribution duct to the LH end of the plenum. Remove LH screw and loosen RH screw on the rear face of the plenum and remove the floor air distribution duct.
15. Remove two nuts from the two studs along the lower flange of the plenum.
16. Carefully move plenum rearward to allow heater core tubes and the stud at the top of the plenum to clear holes in the dash panel. Remove plenum from vehicle by rotating the top of the plenum forward, down and out from under the instrument panel. Carefully pull lower edge of instrument panel rearward as necessary while rolling the plenum from behind the instrument panel.

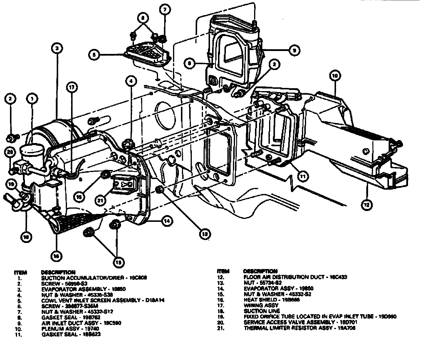
Fig. 5 Typical heater core removal. 1982---88:




17. Remove the four retaining screws from heater core cover and remove cover from plenum, Fig. 27.
18. Remove heater core retaining screw, then pull core and seal assembly from plenum assembly.
19. Reverse procedure to install.

Installation

1. Route the vacuum supply hose through the dash panel and seat the grommet in the opening.
2. Position the plenum under the instrument panel with the register duct opening up and the heater core tubes down. Rotate the plenum up behind the instrument panel and position the plenum to the dash panel. Insert the heater core tubes and mounting studs through their respective holes in the dash panel and the evaporator case.
3. Install three nuts on the studs along the lower flange and one on the upper flange of the plenum (refer to previous illustration).
4. Install three nuts below the windshield wiper motor to attach the LH end of the plenum to the dash panel.
5. Install one nut to retain the upper LH corner of the evaporator case to the dash panel.
6. Position floor air distribution duct on plenum. Install two screws and plastic push fastener.
7. If removed, position panel door vacuum motor to the mounting bracket. Install two retaining screws.
8. Connect the white vacuum hose to the outside-recirculating door vacuum motor.
9. Connect the vacuum jumper harness to the plenum harness at the multiple vacuum connector near the floor air distribution duct. Install floor duct.
10. Connect the EATC sensor tube to the evaporator case connector on EATC equipped vehicles.
11. Install the cross body brace and connect wiring harness to the blend door actuator on EATC equipped vehicles.
12. Install the bolt to attach the lower RH end of the instrument panel to the side cowl.
13. Install the RH side cowl trim panel and tighten the RH door sill plate retaining screws.
14. Install glove compartment door and check arms.
15. Connect vacuum supply hose to vacuum supply.
16. Install RH and LH lower instrument panel insulators.
17. Install two hush panels.
18. Unplug the heater core tubes and connect the heater hoses to the heater core tubes.
19. Fill the cooling system with coolant to replace coolant lost during removal of the plenum.
20. Connect the battery ground cable. Check the system for proper operation.