Operation CHARM: Car repair manuals for everyone.
Manuals through 2025 now available!

Our trusted friends have launched a new website named LEMON, which has newer manuals. It also contains all the CHARM manuals.

LEMON is the spiritual successor to CHARM, I recommend you try it!

Link: lemon-manuals.la or lemon-manuals.org.ua

(Some people have issue connecting. LEMON is investigating. For now, use Firefox or change your DNS server)

Or, hide this message: temporarily or permanently

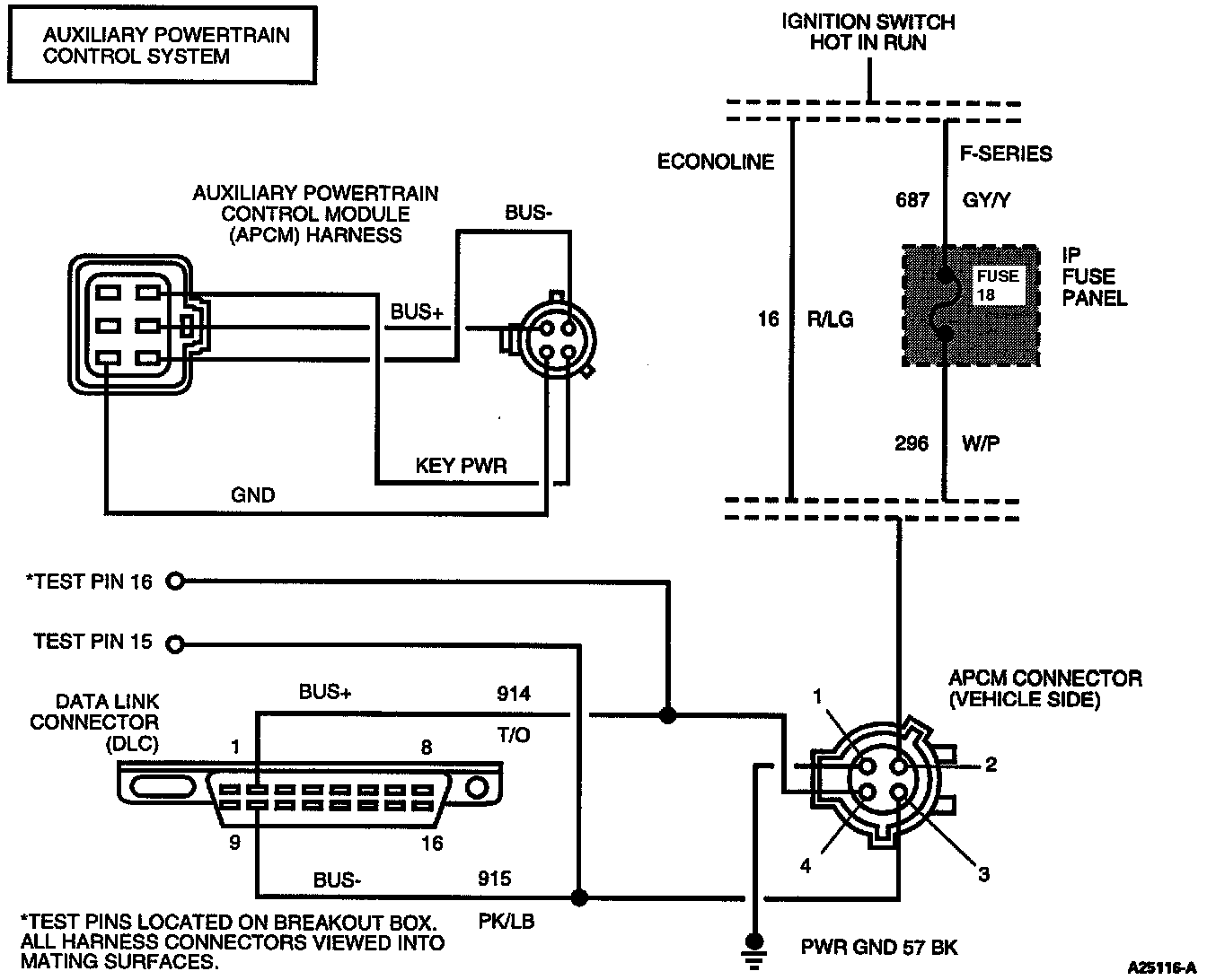
Test Notes

Test Schematic:






You should enter this pinpoint test only if there are no DTCs retrieved and Auxiliary Powertrain Control Module (APCM) does not control rpm.

This pinpoint test is intended to diagnose only the following:
- Harness circuits: KEY PWR, GND, BUS+, BUS- and hi-mount stoplight circuit 569 (DG) for F-Series or 511 (LG) for Econoline
- APCM: F-Series F5TF-12B641, Econoline F5UF-12B641

Auxiliary Powertrain Control System:






DESCRIPTION
The auxiliary powertrain control system provides an operator interface to the drive-by-wire powertrain control system to effect "Charge Protection," "RPM Control," and manual throttle control between 1300 and 2500 rpm.

Brake Circuit:






Enabling conditions: Parking brake set, automatic transmission in PARK, manual transmission in NEUTRAL, foot off clutch pedal, service brake and accelerator pedal, and brake lights connected and functional. To operate system with hazard flashers, the hi-mount stoplight circuit must be complete and operational: F-Series Circuit 569 (DG) and Econoline Circuit 511 (LG).

NOTE: Functions may not be available if the operator has deprogrammed them.

The following error codes are displayed from the APCM only:
- "CErr" indicates that one or both BUS circuits are open or shorted.
- "CrSd" indicates a fault on BUS circuits or internal APCM fault.
- "EErr" and "AErr" both indicate an internal APCM fault.

Follow the direction given below to aid in diagnosing the APCM fault condition:
- If APCM doesn't work at all, go to Pinpoint Test Step AP1.
- If APCM doesn't work with hazard flashers for all vehicles except Econoline Cutaway, go to Pinpoint Test Step AP7.
- If APCM doesn't work with hazard flashers on Econoline Cutaway only, go to Pinpoint Test Step AP1
- If APCM error code "CErr" or "CrSd" are displayed, go to Pinpoint Test AP Step AP5.
- If APCM error code "EErr" or "AErr" are displayed, replace APCM.